

SKF進口軸承經銷 磐固晟為用戶提供高品質的2312軸承,無論是工業(yè)配套還是維修市場,用戶都可以在這里找到貨期最短的SKF 2312軸承,確保您的不間斷生產。
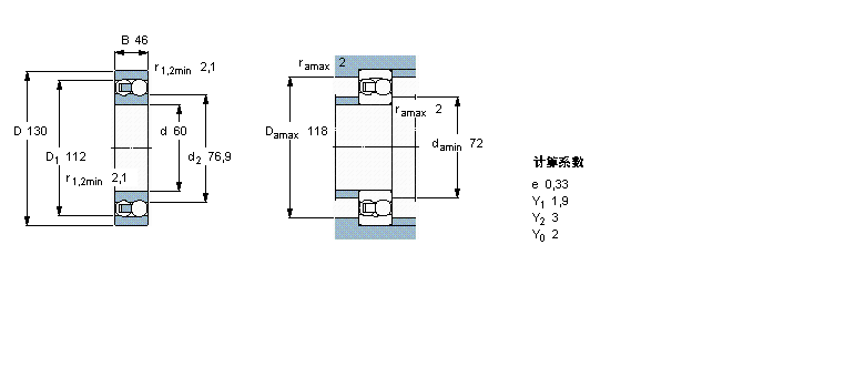
型號:2312
品牌:SKF
內徑:60
外徑:130
厚度:46
系列:自調心球軸承, 圓柱孔和圓錐孔, 圓柱型內孔, 無密封件
【更新日期:2016/8/3 電腦版 2312軸承】
| 自調心球軸承, 圓柱孔和圓錐孔, 圓柱型內孔, 無密封件 | ||||||||||
| 公差 , 參見文字 | ||||||||||
| 徑向內部游隙 , 參見文字 | ||||||||||
| 推薦配合 | ||||||||||
| 軸和軸承座公差 | ||||||||||
|
|
||||||||||
| 主要數據尺寸 | 基本負荷額定值 | 疲勞負荷限值 | 額定速度 | 體積 | 型號 | |||||
| 動態(tài) | 靜態(tài) | 參照速度 | 限制速度 | |||||||
| d | D | B | C | C0 | Pu | |||||
|
|
||||||||||
| mm | kN | kN | r/min | kg | - | |||||
|
|
||||||||||
| 60 | 130 | 46 | 87,1 | 28,5 | 1,46 | 9500 | 7000 | 2,60 | 2312 | |