

811/850M軸承是SKF公司同時面向工業(yè)配套和維修市場的產品,磐固晟同時經銷 此兩項業(yè)務,不僅為批量采購的用戶提供優(yōu)惠的SKF 811/850M軸承,同時也為零散采購用戶提供價格優(yōu)惠的及時供貨服務。
型號:811/850M
品牌:SKF
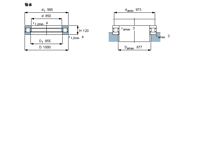
內徑:850
外徑:1000
厚度:120
系列:圓柱滾子推力軸承, 軸承 / 圓柱滾子和保持架止推組件
【更新日期:2016/8/3 電腦版 811/850M軸承】
| 圓柱滾子推力軸承, 軸承 / 圓柱滾子和保持架止推組件 | ||||||||||||
| 公差 , 參見文字 | ||||||||||||
| 推薦配合 | ||||||||||||
| 軸和軸承座公差 | ||||||||||||
|
|
||||||||||||
| 主要數據尺寸 | 基本負荷額定值 | 疲勞負荷限值 | 最小負荷系數 | 額定速度 | 體積 | 型號 | ||||||
| 動態(tài) | 靜態(tài) | 參照速度 | 限制速度 | 軸承 | 圓柱滾子和保持架止推組件 | |||||||
| d | D | H | C | C0 | Pu | A | ||||||
|
|
||||||||||||
| mm | kN | kN | - | r/min | kg | - | ||||||
|
|
||||||||||||
| 850 | 1000 | 120 | 3450 | 23200 | 1340 | 43 | 160 | 320 | 170 | 811/850 M | - | |