

作為傳統(tǒng)的進口軸承經銷 商,磐固晟以廣州為基地,全方位展開與SKF公司的合作,為本地SKF BCSB322213CA軸承提供強大的貨源支持,并迅速推廣到全國各地,經過多年的努力,BCSB322213CA軸承已成為我們的主導產品之一。
型號:BCSB322213CA
品牌:SKF
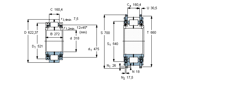
內徑:318
外徑:622.37
厚度:272
系列:圓柱滾子軸承, 剖分式單列
【更新日期:2016/8/3 電腦版 BCSB322213CA軸承】
| 圓柱滾子軸承, 剖分式單列 | |||||||||||
| 公差, 參見文字 | |||||||||||
| 徑向內部間隙, 參見文字 | |||||||||||
|
|
|||||||||||
| 主要數據尺寸 | 基本負荷額定值 | 疲勞負荷限值 | 徑向內部游隙 | 體積 | 型號 | ||||||
| 動態(tài) | 靜態(tài) | ||||||||||
| d | D | B | C | C | C0 | Pu | 最小 | 最大 | |||
|
|
|||||||||||
| mm | kN | kN | mm | kg | - | ||||||
|
|
|||||||||||
| 318 | 622,37 | 272 | 160,4 | 2920 | 4400 | 360 | 0,145 | 0,225 | 515 | BCSB 322213 CA | |