

訂購SKF NJ2328ECMA軸承,請隨時與我們聯(lián)系,我們將根據匯率的波動為您提供實時準確的價格,確保以最優(yōu)惠的價格為您提供優(yōu)質的SKF NJ2328ECMA軸承。
型號:NJ2328ECMA
品牌:SKF
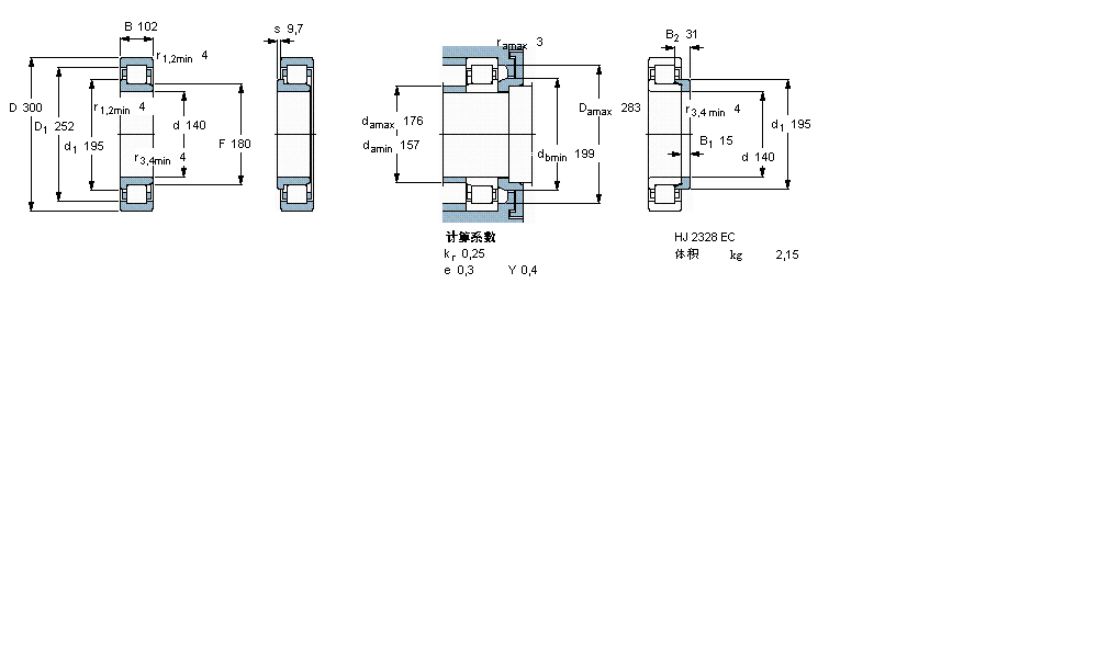
內徑:140
外徑:300
厚度:102
系列:圓柱滾子軸承, 單列, NJ 設計
【更新日期:2016/8/3 電腦版 NJ2328ECMA軸承】
| 圓柱滾子軸承, 單列, NJ 設計 | ||||||||||||
| 公差 , 參見文字 | ||||||||||||
| 徑向內部間隙, 圓柱型內孔 , 圓錐型內孔, 無密封件 , 參見文字 | ||||||||||||
| 推薦配合 | ||||||||||||
| 軸和軸承座公差 | ||||||||||||
|
|
||||||||||||
| 主要數據尺寸 | 基本負荷額定值 | 疲勞負荷限值 | 額定速度 | 體積 | 型號 | 適宜的斜擋圈 | ||||||
| 動態(tài) | 靜態(tài) | 參照速度 | 限制速度 | 型號 | ||||||||
| d | D | B | C | C0 | Pu | * - SKF Explorer 軸承 | ||||||
|
|
||||||||||||
| mm | kN | kN | r/min | kg | - | - | ||||||
|
|
||||||||||||
| 140 | 300 | 102 | 1200 | 1430 | 150 | 2400 | 3600 | 37,5 | NJ 2328 ECMA * | HJ 2238 EC | ||