

作為傳統(tǒng)的進口軸承經銷 商,磐固晟以廣州為基地,全方位展開與SKF公司的合作,為本地SKF NNCF5076CV軸承提供強大的貨源支持,并迅速推廣到全國各地,經過多年的努力,NNCF5076CV軸承已成為我們的主導產品之一。
型號:NNCF5076CV
品牌:SKF
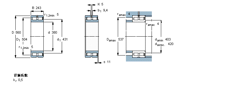
內徑:380
外徑:560
厚度:243
系列:圓柱滾子軸承, 雙列滿裝滾子, 無密封件, 單方向軸向負荷的擋邊
【更新日期:2016/8/3 電腦版 NNCF5076CV軸承】
| 圓柱滾子軸承, 雙列滿裝滾子, 無密封件, 單方向軸向負荷的擋邊 | ||||||||||
| 公差 , 參見文字 | ||||||||||
| 徑向內部游隙 , 參見文字 | ||||||||||
| 推薦配合 | ||||||||||
| 軸和軸承座公差 | ||||||||||
|
|
||||||||||
| 主要數據尺寸 | 基本負荷額定值 | 疲勞負荷限值 | 額定速度 | 體積 | 型號 | |||||
| 動態(tài) | 靜態(tài) | 參照速度 | 限制速度 | |||||||
| d | D | B | C | C0 | Pu | |||||
|
|
||||||||||
| mm | kN | kN | r/min | kg | - | |||||
|
|
||||||||||
| 380 | 560 | 243 | 4680 | 9150 | 765 | 480 | 600 | 200 | NNCF 5076 CV | |