

我們不僅提供SKF NU3052ECMA軸承,還提供SKF品牌的其他品牌產品,以及SKF NU3052ECMA軸承的替換型號,萬千種型號,任您選擇。
			型號:NU3052ECMA
			品牌:SKF
			
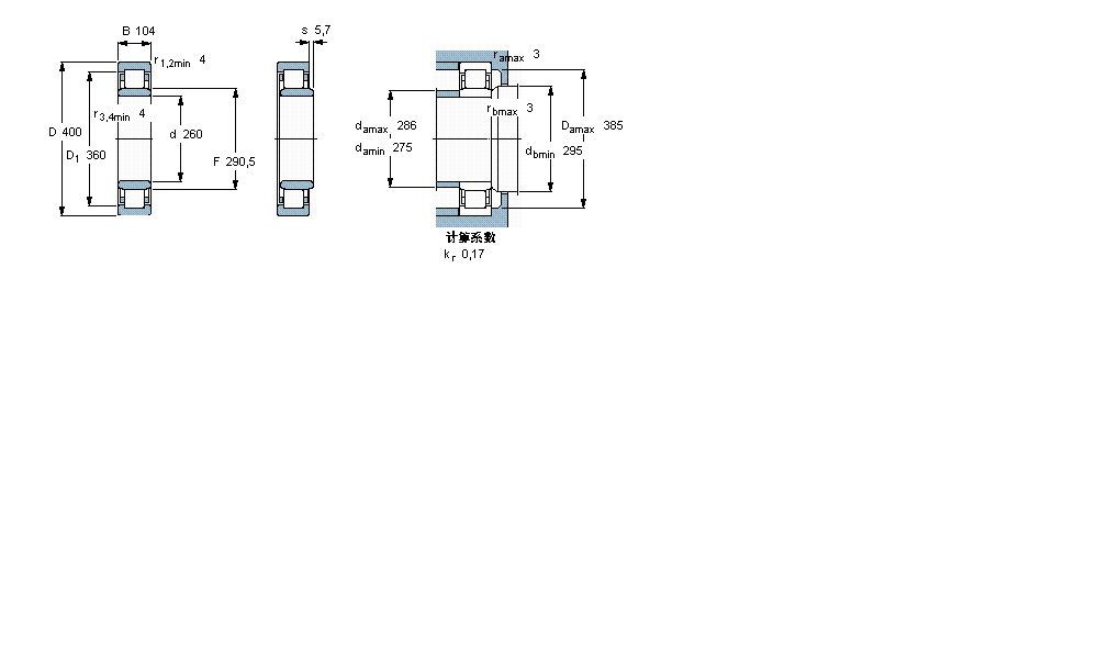
			內徑:260
			
			外徑:400
			
			厚度:104
			
			系列:圓柱滾子軸承, 單列, NU 設計
			【更新日期:2016/8/3  電腦版 NU3052ECMA軸承】
			
			   
			
| 圓柱滾子軸承, 單列, NU 設計 | ||||||||||||
| 公差 , 參見文字 | ||||||||||||
| 徑向內部間隙, 圓柱型內孔 , 圓錐型內孔, 無密封件 , 參見文字 | ||||||||||||
| 推薦配合 | ||||||||||||
| 軸和軸承座公差 | ||||||||||||
|   | ||||||||||||
| 主要數據尺寸 | 基本負荷額定值 | 疲勞負荷限值 | 額定速度 | 體積 | 型號 | 適宜的斜擋圈 | ||||||
| 動態(tài) | 靜態(tài) | 參照速度 | 限制速度 | 型號 | ||||||||
| d | D | B | C | C0 | Pu | |||||||
|   | ||||||||||||
| mm | kN | kN | r/min | kg | - | - | ||||||
|   | ||||||||||||
| 260 | 400 | 104 | 1420 | 2320 | 232 | 1500 | 2400 | 49,5 | NU 3052 ECMA | - | ||