

磐固晟是SKF進口軸承經銷 ,銷售SKF OH3156H軸承,不僅具備價格優(yōu)勢,而且在供貨及時性、供貨能力方面具有比較優(yōu)勢,能在最短的時間內為用戶提供原裝進口的SKF OH3156H軸承。
型號:OH3156H
品牌:SKF
系列:緊定套
【更新日期:2016/8/3 電腦版 OH3156H軸承】
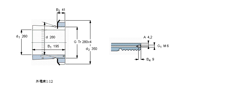
| 緊定套 | ||||||||||
|
|
||||||||||
| 尺寸 | 體積 | 型號 | ||||||||
| 緊定軸套帶螺母 | 鎖定螺母 | 鎖定裝置 | 適宜的液壓 | |||||||
| d1 | d | d3 | B1 | G | 和鎖緊裝置 | 螺母 | ||||
|
|
||||||||||
| mm | kg | - | ||||||||
|
|
||||||||||
| 260 | 280 | 350 | 195 | Tr 280x4 | 23,0 | OH 3156 H | HM 56 T | MB 56 | HMV 56 E | |