

我們不僅提供SKF OH39/710H軸承,還提供SKF品牌的其他品牌產品,以及SKF OH39/710H軸承的替換型號,萬千種型號,任您選擇。
型號:OH39/710H
品牌:SKF
系列:緊定套
【更新日期:2016/8/3 電腦版 OH39/710H軸承】
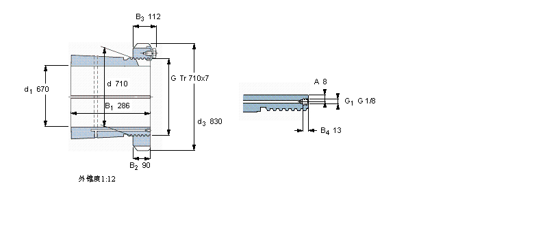
| 緊定套 | ||||||||||
|
|
||||||||||
| 尺寸 | 體積 | 型號 | ||||||||
| 緊定軸套帶螺母 | 鎖定螺母 | 鎖定裝置 | 適宜的液壓 | |||||||
| d1 | d | d3 | B1 | G | 和鎖緊裝置 | 螺母 | ||||
|
|
||||||||||
| mm | kg | - | ||||||||
|
|
||||||||||
| 670 | 710 | 830 | 286 | Tr 710x7 | 183 | OH 39/710 H | HM 30/710 | MS 30/710 | HMV 142 E | |