

PDNB210軸承是SKF公司同時面向工業(yè)配套和維修市場的產品,磐固晟同時經銷 此兩項業(yè)務,不僅為批量采購的用戶提供優(yōu)惠的SKF PDNB210軸承,同時也為零散采購用戶提供價格優(yōu)惠的及時供貨服務。
型號:PDNB210
品牌:SKF
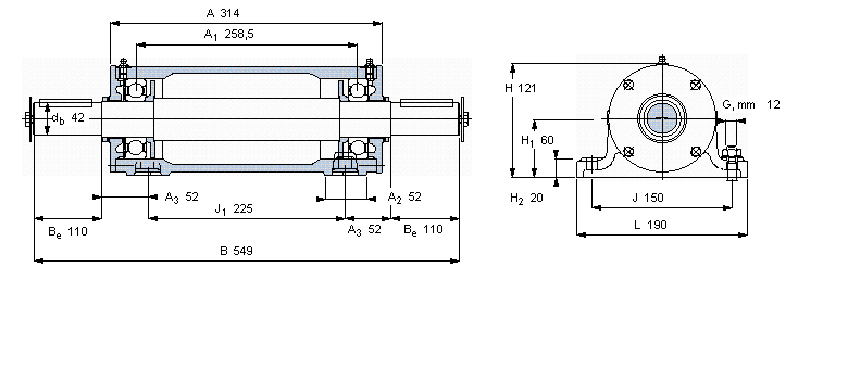
內徑:42
外徑:549
厚度:121
系列:雙軸承單元, PDNB單元
【更新日期:2016/8/3 電腦版 PDNB210軸承】
| 雙軸承單元, PDNB單元 | ||||||||||
|
|
||||||||||
| 尺寸 | 整體軸承 | 質量 | 型號 | |||||||
| Key402 | 定位軸承 | 軸承單元 | ||||||||
| db | B | H | H1 | L | ||||||
|
|
||||||||||
| mm | - | kg | - | |||||||
|
|
||||||||||
| 42 | 549 | 121 | 60 | 190 | 6210 | 6210 | - | 22,5 | PDNB 210 | |