

磐固晟是SKF進口軸承經銷 商,不僅為工業(yè)配套用戶提供SKF SILKAC22M軸承,在維修市場也提供足夠的支持,是SKF軸承在國內的優(yōu)質經銷商之一,購買SKF SILKAC22M軸承,磐固晟是您放心的選擇。
型號:SILKAC22M
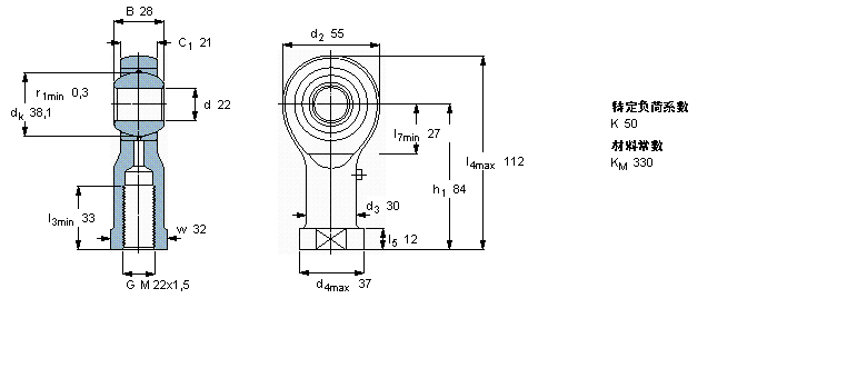
品牌:SKF
內徑:22
外徑:55
厚度:28
系列:需要維護的桿端, 鋼對青銅,陰螺紋
【更新日期:2016/8/3 電腦版 SILKAC22M軸承】
| 需要維護的桿端, 鋼對青銅,陰螺紋 | |||||||||||
| 公差 , 參見文字 | |||||||||||
| 徑向內部游隙 , 參見文字 | |||||||||||
|
|
|||||||||||
| 主要數據尺寸 | 角度傾的 | 基本負荷額定值 | 質量 | 型號 | |||||||
| 動態(tài) | 靜態(tài) | 軸承座完全與 | |||||||||
| d | d2 | B | d3 | C1 | h1 | ± | C | C0 | |||
| 6H | |||||||||||
|
|
|||||||||||
| mm | 度數 | kN | kg | - | |||||||
|
|
|||||||||||
| 22 | 55 | 28 | M 22x1,5 | 21 | 84 | 15 | 38 | 45 | 0,52 | SILKAC 22 M | |