
鼎力晟業(yè)是SKF進口軸承代理,銷售SKF 1202ETN9軸承,不僅具備價格優(yōu)勢,而且在供貨及時性、供貨能力方面具有比較優(yōu)勢,能在最短的時間內為用戶提供原裝進口的SKF 1202ETN9軸承。
型號:1202ETN9
品牌:SKF
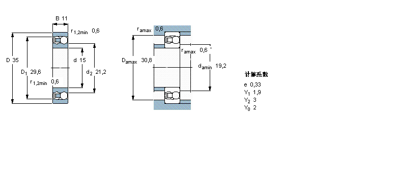
內徑:15
外徑:35
厚度:11
系列:自調心球軸承, 圓柱孔和圓錐孔, 圓柱型內孔, 無密封件
【
手機版 1202ETN9軸承
點擊量
更新日期:2021/12/28
】
電話:020-36026999 傳真:020-36705678 服務熱線:18924187999 郵箱:sales@gzbearing.cn
| 自調心球軸承, 圓柱孔和圓錐孔, 圓柱型內孔, 無密封件 | ||||||||||
| 公差 , 參見文字 | ||||||||||
| 徑向內部游隙 , 參見文字 | ||||||||||
| 推薦配合 | ||||||||||
| 軸和軸承座公差 | ||||||||||
|
|
||||||||||
| 主要數據尺寸 | 基本負荷額定值 | 疲勞負荷限值 | 額定速度 | 體積 | 型號 | |||||
| 動態(tài) | 靜態(tài) | 參照速度 | 限制速度 | |||||||
| d | D | B | C | C0 | Pu | |||||
|
|
||||||||||
| mm | kN | kN | r/min | kg | - | |||||
|
|
||||||||||
| 15 | 35 | 11 | 7,41 | 1,76 | 0,09 | 45000 | 28000 | 0,049 | 1202 ETN9 | |
RASEY50-TV-VA軸承 EGB1215-E40軸承 6307NR軸承 294/630-E-MB軸承 33012軸承 23984RK+AH3984軸承 CRY52VUUR軸承 22314E軸承 629-RSH軸承 NCF18/800V軸承 K26x30x13軸承 SL185007軸承 6032軸承 61908軸承 5205N軸承 NJ218E軸承 NJ305EG軸承 316351CA軸承 61800-2Z軸承 71905C/DF軸承