
購買SKF 23126CCK/W33軸承,及23126CCK/W33軸承同系列產品,或者SKF公司其他產品,請聯(lián)系SKF進口軸承代理-鼎力晟業(yè),我們提供準時高效的服務。
型號:23126CCK/W33
品牌:SKF
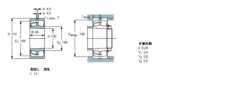
內徑:130
外徑:210
厚度:64
系列:球面滾子軸承, 圓柱和圓錐孔, 圓錐型內孔, 無密封件
【
手機版 23126CCK/W33軸承
點擊量
更新日期:2021/12/28
】
電話:020-36026999 傳真:020-36705678 服務熱線:18924187999 郵箱:sales@gzbearing.cn
| 球面滾子軸承, 圓柱和圓錐孔, 圓錐型內孔, 無密封件 | ||||||||||
| 公差 , 參見文字 | ||||||||||
| 徑向內部間隙, 圓柱型內孔 , 圓錐型內孔, 無密封件 , 參見文字 | ||||||||||
| 推薦配合 | ||||||||||
| 軸和軸承座公差 | ||||||||||
|
|
||||||||||
| 主要數據尺寸 | 基本負荷額定值 | 疲勞負荷限值 | 額定速度 | 體積 | 型號 | |||||
| 動態(tài) | 靜態(tài) | 參照速度 | 限制速度 | |||||||
| d | D | B | C | C0 | Pu | * - SKF Explorer 軸承 | ||||
|
|
||||||||||
| mm | kN | kN | r/min | kg | - | |||||
|
|
||||||||||
| 130 | 210 | 64 | 560 | 780 | 78 | 2400 | 3200 | 8,50 | 23126 CCK/W33 * | |
15125/245軸承 K55X60X27軸承 NAO17X35X16軸承 NUP228E軸承 351794軸承 369-S/362-B軸承 6010-2Z軸承 231/500-B-MB軸承 LRBZ606832軸承 6020-2Z/VA208軸承 B7206-C-T-P4S軸承 3212A軸承 HJ2312E軸承 FLW60/1.5ZA軸承 TAM1012軸承 NU2211ECM軸承 B71919-C-2RSD-T-P4S軸承 61903-2Z軸承 W68/2.5ZA軸承 2307KM軸承