
SKF 23284CA/W33軸承工業(yè)配套用戶請注意:批量采購SKF 23284CA/W33軸承,請至少提前一周與我們聯系,長期批量采購請?zhí)峁┠甓炔少徲媱潱覀儗⑹指兄x您的預見性,我們將提供極為優(yōu)惠的價格以保障您的權益。
型號:23284CA/W33
品牌:SKF
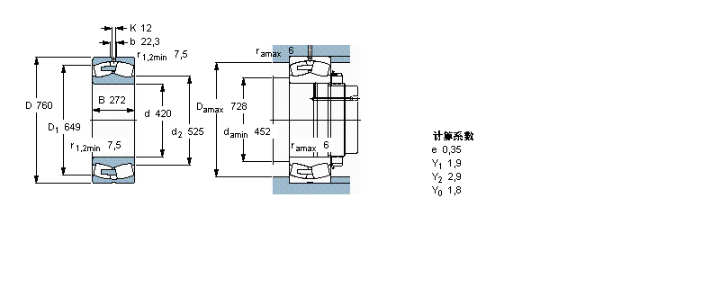
內徑:420
外徑:760
厚度:272
系列:球面滾子軸承, 圓柱和圓錐孔, 圓柱型內孔, 無密封件
【
手機版 23284CA/W33軸承
點擊量
更新日期:2021/12/28
】
電話:020-36026999 傳真:020-36705678 服務熱線:18924187999 郵箱:sales@gzbearing.cn
| 球面滾子軸承, 圓柱和圓錐孔, 圓柱型內孔, 無密封件 | ||||||||||
| 公差 , 參見文字 | ||||||||||
| 徑向內部間隙, 圓柱型內孔 , 圓錐型內孔, 無密封件 , 參見文字 | ||||||||||
| 推薦配合 | ||||||||||
| 軸和軸承座公差 | ||||||||||
|
|
||||||||||
| 主要數據尺寸 | 基本負荷額定值 | 疲勞負荷限值 | 額定速度 | 體積 | 型號 | |||||
| 動態(tài) | 靜態(tài) | 參照速度 | 限制速度 | |||||||
| d | D | B | C | C0 | Pu | * - SKF Explorer 軸承 | ||||
|
|
||||||||||
| mm | kN | kN | r/min | kg | - | |||||
|
|
||||||||||
| 420 | 760 | 272 | 7350 | 11600 | 765 | 450 | 630 | 535 | 23284 CA/W33 * | |
22319RHRK+AHX2319軸承 NU2304軸承 2×7308BEGAP軸承 NU311軸承 29480E軸承 15126/15251D軸承 76FC54360軸承 6215-RS軸承 7318B軸承 5308軸承 2320軸承 7036AC/DT軸承 HK0810軸承 NU306ECJ軸承 N419軸承 NKS45軸承 53234X軸承 6009-RZ軸承 17580R/20軸承 3482/3420軸承