
我們不僅提供SKF 24136CCK30/W33軸承,還提供SKF品牌的其他品牌產品,以及SKF 24136CCK30/W33軸承的替換型號,萬千種型號,任您選擇。
型號:24136CCK30/W33
品牌:SKF
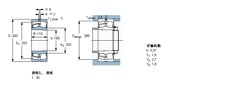
內徑:180
外徑:300
厚度:118
系列:球面滾子軸承, 圓柱和圓錐孔, 圓錐型內孔, 無密封件
【
手機版 24136CCK30/W33軸承
點擊量
更新日期:2021/12/28
】
電話:020-36026999 傳真:020-36705678 服務熱線:18924187999 郵箱:sales@gzbearing.cn
| 球面滾子軸承, 圓柱和圓錐孔, 圓錐型內孔, 無密封件 | ||||||||||
| 公差 , 參見文字 | ||||||||||
| 徑向內部間隙, 圓柱型內孔 , 圓錐型內孔, 無密封件 , 參見文字 | ||||||||||
| 推薦配合 | ||||||||||
| 軸和軸承座公差 | ||||||||||
|
|
||||||||||
| 主要數據尺寸 | 基本負荷額定值 | 疲勞負荷限值 | 額定速度 | 體積 | 型號 | |||||
| 動態(tài) | 靜態(tài) | 參照速度 | 限制速度 | |||||||
| d | D | B | C | C0 | Pu | * - SKF Explorer 軸承 | ||||
|
|
||||||||||
| mm | kN | kN | r/min | kg | - | |||||
|
|
||||||||||
| 180 | 300 | 118 | 1400 | 2160 | 196 | 1100 | 1600 | 34,0 | 24136 CCK30/W33 * | |
7093/7204軸承 23272BK軸承 EGF15120-E40軸承 30217-A軸承 6219-ZN軸承 2310-TVH軸承 4T-3379/3320軸承 23992RK+AH3992軸承 NN3052軸承 HM3160軸承 6417-M軸承 6824NR軸承 11211TV軸承 SDAF23084軸承 2×7210BECBM軸承 6804LU軸承 29368軸承 7028DF軸承 7212B軸承 NU2310E.TVP2軸承