
購買SKF 6206-2ZNR軸承,及6206-2ZNR軸承同系列產品,或者SKF公司其他產品,請聯(lián)系SKF進口軸承代理-鼎力晟業(yè),我們提供準時高效的服務。
型號:6206-2ZNR
品牌:SKF
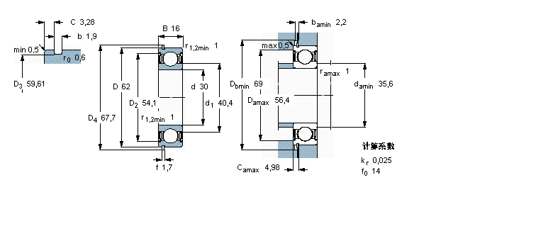
內徑:30
外徑:62
厚度:16
系列:深溝球軸承, 單列,帶止動環(huán)槽, 兩面防塵罩
【
手機版 6206-2ZNR軸承
點擊量
更新日期:2021/12/28
】
電話:020-36026999 傳真:020-36705678 服務熱線:18924187999 郵箱:sales@gzbearing.cn
| 深溝球軸承, 單列,帶止動環(huán)槽, 兩面防塵罩 | |||||||||||
| 公差 , 參見文字 | |||||||||||
| 徑向內部游隙 , 參見文字 | |||||||||||
| 推薦配合 | |||||||||||
| 軸和軸承座公差 | |||||||||||
|
|
|||||||||||
| 主要數據尺寸 | 基本負荷額定值 | 疲勞負荷限值 | 額定速度 | 體積 | 型號 | ||||||
| 動態(tài) | 靜態(tài) | 參照速度 | 限制速度 | 軸承 | 止動環(huán) | ||||||
| (R = 帶止動環(huán)) | |||||||||||
| d | D | B | C | C0 | Pu | * - SKF Explorer 軸承 | |||||
|
|
|||||||||||
| mm | kN | kN | r/min | kg | - | ||||||
|
|
|||||||||||
| 30 | 62 | 16 | 20,3 | 11,2 | 0,475 | 24000 | 12000 | 0,20 | 6206-2ZNR * | SP 62 | |
30313-A軸承 RCJ30-N-FA125軸承 PCZ1414B軸承 7234AC軸承 61915-RZ軸承 2785/2720軸承 24138-E1-K30軸承 32310-B軸承 51192F軸承 22315EK+H2315軸承 NNU41/530-M軸承 RCT23軸承 23032EASK.MH3032軸承 QJ221軸承 K28X34X17軸承 NJ210軸承 462/800A軸承 7305B/DF軸承 7021軸承 6915LLU軸承