
SKF 6208-2Z/VA201軸承是鼎力晟業(yè)長期代理的產品,鼎力晟業(yè)與SKF公司具有長期的6208-2Z/VA201軸承采購計劃,可以為國內用戶提供足夠數量的SKF 6208-2Z/VA201軸承,讓您的工廠無憂運轉。
型號:6208-2Z/VA201
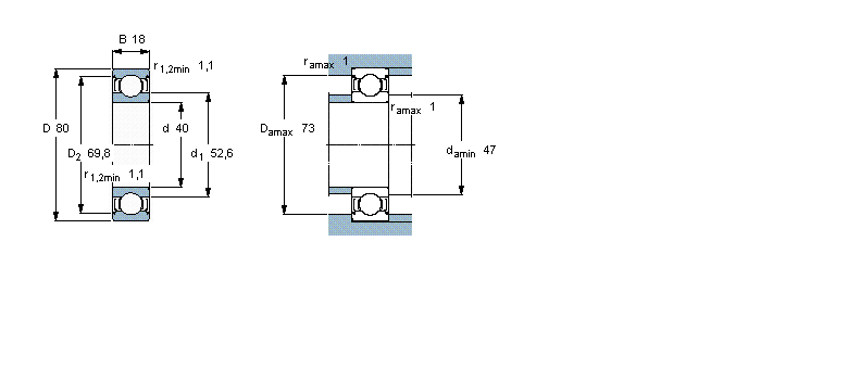
品牌:SKF
內徑:40
外徑:80
厚度:18
系列:深溝球軸承, 用于高溫的深溝球軸承, 兩面防塵罩
【
手機版 6208-2Z/VA201軸承
點擊量
更新日期:2021/12/28
】
電話:020-36026999 傳真:020-36705678 服務熱線:18924187999 郵箱:sales@gzbearing.cn
| 深溝球軸承, 用于高溫的深溝球軸承, 兩面防塵罩 | ||||||||
| 公差 , 參見文字 | ||||||||
| 徑向內部間隙, 參見文字 | ||||||||
| 推薦配合 | ||||||||
| 軸和軸承座公差 | ||||||||
|
|
||||||||
| 主要數據尺寸 | 基本負荷額定值 | 徑向內部游隙 | 體積 | 型號 | ||||
| 靜態(tài) | ||||||||
| d | D | B | C0 | 最小 | 最大 | |||
|
|
||||||||
| mm | kN | μm | kg | - | ||||
|
|
||||||||
| 40 | 80 | 18 | 19 | 160 | 256 | 0,37 | 6208-2Z/VA201 | |
61808-RZ軸承 UCP319軸承 7210B/DF軸承 NAG4904軸承 GAKL10-PB軸承 63/32-Z軸承 760/752軸承 7009DB軸承 61919-ZN軸承 AXK2035軸承 7207BDT軸承 812/500軸承 CRH14V軸承 NU2217軸承 29448軸承 TR253820軸承 IRB1014軸承 6910BLB軸承 7301軸承 GE12-AW軸承