
購買SKF NJ2222ECJ軸承,及NJ2222ECJ軸承同系列產品,或者SKF公司其他產品,請聯(lián)系SKF進口軸承代理-鼎力晟業(yè),我們提供準時高效的服務。
型號:NJ2222ECJ
品牌:SKF
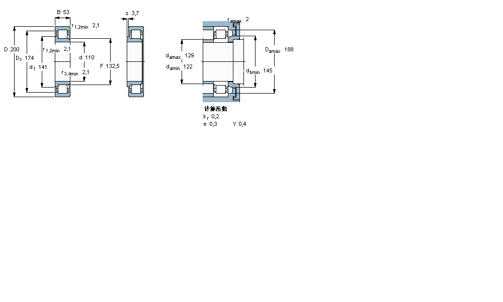
內徑:110
外徑:200
厚度:53
系列:圓柱滾子軸承, 單列, NJ 設計
【
手機版 NJ2222ECJ軸承
點擊量
更新日期:2021/12/28
】
電話:020-36026999 傳真:020-36705678 服務熱線:18924187999 郵箱:sales@gzbearing.cn
| 圓柱滾子軸承, 單列, NJ 設計 | ||||||||||||
| 公差 , 參見文字 | ||||||||||||
| 徑向內部間隙, 圓柱型內孔 , 圓錐型內孔, 無密封件 , 參見文字 | ||||||||||||
| 推薦配合 | ||||||||||||
| 軸和軸承座公差 | ||||||||||||
|
|
||||||||||||
| 主要數據尺寸 | 基本負荷額定值 | 疲勞負荷限值 | 額定速度 | 體積 | 型號 | 適宜的斜擋圈 | ||||||
| 動態(tài) | 靜態(tài) | 參照速度 | 限制速度 | 型號 | ||||||||
| d | D | B | C | C0 | Pu | * - SKF Explorer 軸承 | ||||||
|
|
||||||||||||
| mm | kN | kN | r/min | kg | - | - | ||||||
|
|
||||||||||||
| 110 | 200 | 53 | 440 | 520 | 61 | 3600 | 4000 | 7,15 | NJ 2222 ECJ * | - | ||
61903-2Z軸承 6010-Z軸承 22234BKD1軸承 23948CAE4軸承 23260-K-MB+H3260軸承 4T-09078/09195軸承 7220C/DT軸承 NAXI6040軸承 K30×37×20軸承 B71910-E-T-P4S軸承 KR40-PP軸承 ZKLFA1263-2Z軸承 NJ212E.TVP2+HJ212E軸承 7602060-TVP軸承 7602065-TVP軸承 54312軸承 PCJ35-N軸承 7310BDF軸承 W44軸承 NN3080軸承