
NJ307ECM軸承是SKF公司同時面向工業(yè)配套和維修市場的產品,鼎力晟業(yè)同時代理此兩項業(yè)務,不僅為批量采購的用戶提供優(yōu)惠的SKF NJ307ECM軸承,同時也為零散采購用戶提供價格優(yōu)惠的及時供貨服務。
型號:NJ307ECM
品牌:SKF
內徑:35
外徑:80
厚度:21
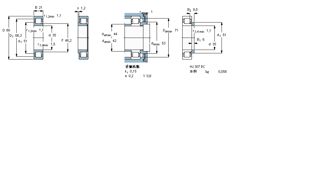
系列:圓柱滾子軸承, 單列, NJ 設計
【
手機版 NJ307ECM軸承
點擊量
更新日期:2021/12/28
】
電話:020-36026999 傳真:020-36705678 服務熱線:18924187999 郵箱:sales@gzbearing.cn
| 圓柱滾子軸承, 單列, NJ 設計 | ||||||||||||
| 公差 , 參見文字 | ||||||||||||
| 徑向內部間隙, 圓柱型內孔 , 圓錐型內孔, 無密封件 , 參見文字 | ||||||||||||
| 推薦配合 | ||||||||||||
| 軸和軸承座公差 | ||||||||||||
|
|
||||||||||||
| 主要數據尺寸 | 基本負荷額定值 | 疲勞負荷限值 | 額定速度 | 體積 | 型號 | 適宜的斜擋圈 | ||||||
| 動態(tài) | 靜態(tài) | 參照速度 | 限制速度 | 型號 | ||||||||
| d | D | B | C | C0 | Pu | * - SKF Explorer 軸承 | ||||||
|
|
||||||||||||
| mm | kN | kN | r/min | kg | - | - | ||||||
|
|
||||||||||||
| 35 | 80 | 21 | 75 | 63 | 8,15 | 9500 | 11000 | 0,59 | NJ 307 ECM * | HJ 307 EC | ||
7306B/DB軸承 B7007E.T軸承 23236-E1A-K-M+H2336軸承 430240U軸承 54312軸承 7307AC/DT軸承 HC71917-C-T-P4S軸承 6205-ZNR軸承 HCB71902-E-T-P4S軸承 NNU40/800KM/W33軸承 7219B/DB軸承 24132C軸承 7005AC/DT軸承 22311CCK軸承 6005LLB軸承 B7204-E-2RSD-T-P4S軸承 RCJL60-N軸承 NU2318軸承 NU2318軸承 53226軸承