
NUP217ECP軸承是SKF公司同時面向工業(yè)配套和維修市場的產品,鼎力晟業(yè)同時代理此兩項業(yè)務,不僅為批量采購的用戶提供優(yōu)惠的SKF NUP217ECP軸承,同時也為零散采購用戶提供價格優(yōu)惠的及時供貨服務。
型號:NUP217ECP
品牌:SKF
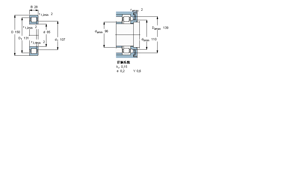
內徑:85
外徑:150
厚度:28
系列:圓柱滾子軸承, 單列, NUP 設計
【
手機版 NUP217ECP軸承
點擊量
更新日期:2021/12/28
】
電話:020-36026999 傳真:020-36705678 服務熱線:18924187999 郵箱:sales@gzbearing.cn
| 圓柱滾子軸承, 單列, NUP 設計 | ||||||||||||
| 公差 , 參見文字 | ||||||||||||
| 徑向內部間隙, 圓柱型內孔 , 圓錐型內孔, 無密封件 , 參見文字 | ||||||||||||
| 推薦配合 | ||||||||||||
| 軸和軸承座公差 | ||||||||||||
|
|
||||||||||||
| 主要數據尺寸 | 基本負荷額定值 | 疲勞負荷限值 | 額定速度 | 體積 | 型號 | 適宜的斜擋圈 | ||||||
| 動態(tài) | 靜態(tài) | 參照速度 | 限制速度 | 型號 | ||||||||
| d | D | B | C | C0 | Pu | * - SKF Explorer 軸承 | ||||||
|
|
||||||||||||
| mm | kN | kN | r/min | kg | - | - | ||||||
|
|
||||||||||||
| 85 | 150 | 28 | 190 | 200 | 24,5 | 4800 | 5300 | 2,00 | NUP 217 ECP * | - | ||
AOH24152軸承 24072BK30+AH24072H軸承 71903CD軸承 891/530M軸承 7244B/DF軸承 HCS71920C.T.P4S.UL軸承 5204NAS軸承 RNA4840軸承 FLAW678AZ軸承 1305K軸承 48290/48220軸承 323/22R軸承 BCH1012軸承 HSS7002-E-T-P4S軸承 FLRA2-6ZA軸承 7000C/DB軸承 GAKL6-PB軸承 NJ222軸承 NURT45-1軸承 N1008KTNHA/HC5SP軸承