
SKF OH3172HE軸承工業(yè)配套用戶請注意:批量采購SKF OH3172HE軸承,請至少提前一周與我們聯(lián)系,長期批量采購請?zhí)峁┠甓炔少徲媱,我們將十分感謝您的預見性,我們將提供極為優(yōu)惠的價格以保障您的權(quán)益。
型號:OH3172HE
品牌:SKF
系列:緊定套
【
手機版 OH3172HE軸承
點擊量
更新日期:2021/12/28
】
電話:020-36026999 傳真:020-36705678 服務熱線:18924187999 郵箱:sales@gzbearing.cn
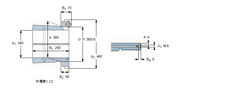
| 緊定套 | ||||||||||
|
|
||||||||||
| 尺寸 | 體積 | 型號 | ||||||||
| 緊定軸套帶螺母 | 鎖定螺母 | 鎖定裝置 | 適宜的液壓 | |||||||
| d1 | d | d3 | B1 | G | 和鎖緊裝置 | 螺母 | ||||
|
|
||||||||||
| mm | kg | - | ||||||||
|
|
||||||||||
| 340 | 360 | 460 | 259 | Tr 360x5 | 56,0 | OH 3172 HE | HME 3172 | MS 3172-68 | HMV 72 E | |