
鼎力晟業(yè)是SKF進口軸承代理商,不僅為工業(yè)配套用戶提供SKF OH39/630H軸承,在維修市場也提供足夠的支持,是SKF軸承在國內的優(yōu)質經銷商之一,購買SKF OH39/630H軸承,鼎力晟業(yè)是您放心的選擇。
型號:OH39/630H
品牌:SKF
系列:緊定套
【
手機版 OH39/630H軸承
點擊量
更新日期:2021/12/28
】
電話:020-36026999 傳真:020-36705678 服務熱線:18924187999 郵箱:sales@gzbearing.cn
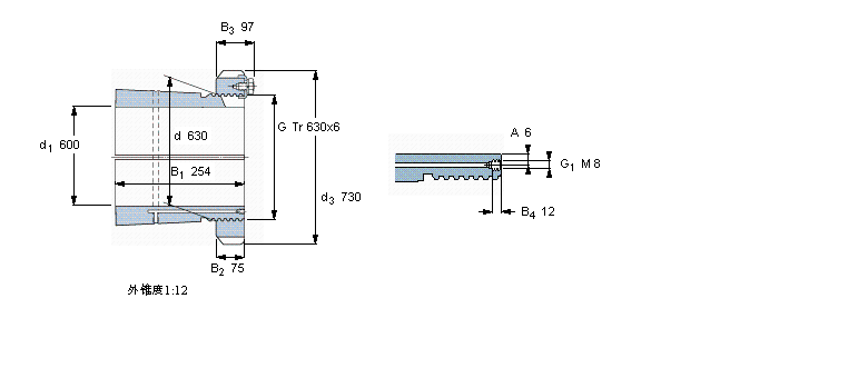
| 緊定套 | ||||||||||
|
|
||||||||||
| 尺寸 | 體積 | 型號 | ||||||||
| 緊定軸套帶螺母 | 鎖定螺母 | 鎖定裝置 | 適宜的液壓 | |||||||
| d1 | d | d3 | B1 | G | 和鎖緊裝置 | 螺母 | ||||
|
|
||||||||||
| mm | kg | - | ||||||||
|
|
||||||||||
| 600 | 630 | 730 | 254 | Tr 630x6 | 124 | OH 39/630 H | HM 30/630 | MS 30/630 | HMV 126 E | |
TAF192720軸承 HCS7001-E-T-P4S軸承 2307TV軸承 1315軸承 NU236EM軸承 FLR166軸承 81113-TV軸承 6800Z軸承 GE80DO軸承 1200軸承 AHX3218軸承 625VV軸承 NK35/30-TV軸承 222SM70-TVPA軸承 W69/1.5ASA軸承 22322-E1-K+H2322軸承 NX25Z軸承 FLCTEY35軸承 NKS75軸承 AH2308軸承