
SKF進口軸承代理鼎力晟業(yè)為用戶提供高品質的OH39/750H軸承,無論是工業(yè)配套還是維修市場,用戶都可以在這里找到貨期最短的SKF OH39/750H軸承,確保您的不間斷生產。
型號:OH39/750H
品牌:SKF
系列:緊定套
【
手機版 OH39/750H軸承
點擊量
更新日期:2021/12/28
】
電話:020-36026999 傳真:020-36705678 服務熱線:18924187999 郵箱:sales@gzbearing.cn
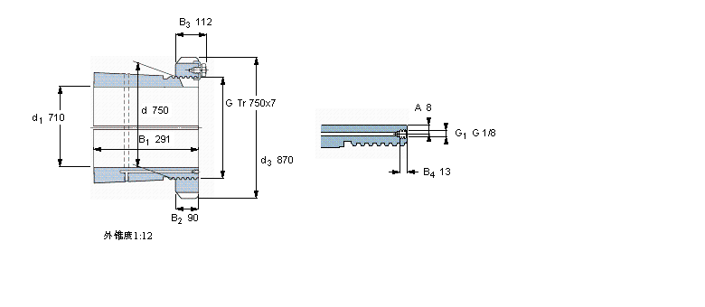
| 緊定套 | ||||||||||
|
|
||||||||||
| 尺寸 | 體積 | 型號 | ||||||||
| 緊定軸套帶螺母 | 鎖定螺母 | 鎖定裝置 | 適宜的液壓 | |||||||
| d1 | d | d3 | B1 | G | 和鎖緊裝置 | 螺母 | ||||
|
|
||||||||||
| mm | kg | - | ||||||||
|
|
||||||||||
| 710 | 750 | 870 | 291 | Tr 750x7 | 211 | OH 39/750 H | HM 30/750 | MS 30/800-750 | HMV 150 E | |
EE420701/421417軸承 294/800EF軸承 HM262749D/HM262410軸承 6314NR軸承 7026C/DB軸承 BCH1614-P軸承 NJ234EM+HJ234E軸承 GE70HO-2RS軸承 32216J2/QDF軸承 606Z軸承 23218CK+H2318X軸承 2206E軸承 6807軸承 GE35TXG3E-2LS軸承 R144軸承 SC7024DB/P7軸承 NUP414軸承 22212EK軸承 316010A軸承 CRY30V軸承