
作為傳統(tǒng)的進口軸承代理商,鼎力晟業(yè)以廣州為基地,全方位展開與SKF公司的合作,為本地SKF SYNT80F軸承提供強大的貨源支持,并迅速推廣到全國各地,經過多年的努力,SYNT80F軸承已成為我們的主導產品之一。
型號:SYNT80F
品牌:SKF
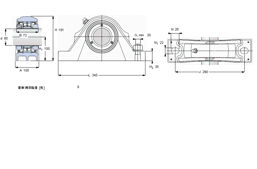
系列:滾子軸承立式軸承座單元, SKF ConCentra, locating units, general conditions (double-lip seals)
【
手機版 SYNT80F軸承
點擊量
更新日期:2021/12/28
】
電話:020-36026999 傳真:020-36705678 服務熱線:18924187999 郵箱:sales@gzbearing.cn
| 滾子軸承立式軸承座單元, SKF ConCentra, locating units, general conditions (double-lip seals) | ||||||||||||
|
|
||||||||||||
| 尺寸 | 尺寸 [英寸] | 疲勞負荷限值 | 限制速度 | 體積 | 型號 | 軸承,基本型號 | ||||||
| 動態(tài) | 靜態(tài) | |||||||||||
| da | A | H | H1 | L | C | C0 | Pu | |||||
|
|
||||||||||||
| mm | kN | kN | r/min | kg | - | - | ||||||
|
|
||||||||||||
| 80 | 100 | 191 | 100 | 345 | 236 | 270 | 29 | 2300 | 20 | SYNT 80 F | 22216 E | |
4T-555/552A軸承 24064CCK30/W33軸承 NN3013TN/SP軸承 STO35軸承 32940XU軸承 YB148軸承 NAFW304732軸承 FT13軸承 7201AC軸承 20330-MB軸承 81156-M軸承 NU2226ECM軸承 7000ACD/DF軸承 61817T軸承 LRT404520軸承 NP422軸承 NJ308-E-TVP2+HJ308E軸承 4T-JH307749/JH307710軸承 239/850CA/W33軸承 61916-2RS軸承