

訂購SKF 6304-2Z/VA201軸承,請隨時與我們聯(lián)系,我們將根據匯率的波動為您提供實時準確的價格,確保以最優(yōu)惠的價格為您提供優(yōu)質的SKF 6304-2Z/VA201軸承。
型號:6304-2Z/VA201
品牌:SKF
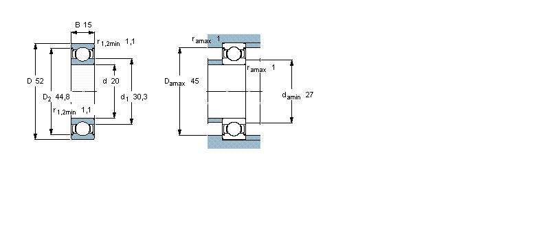
內徑:20
外徑:52
厚度:15
系列:深溝球軸承, 用于高溫的深溝球軸承, 兩面防塵罩
【更新日期:2016/8/3 電腦版 6304-2Z/VA201軸承】
| 深溝球軸承, 用于高溫的深溝球軸承, 兩面防塵罩 | ||||||||
| 公差 , 參見文字 | ||||||||
| 徑向內部間隙, 參見文字 | ||||||||
| 推薦配合 | ||||||||
| 軸和軸承座公差 | ||||||||
|
|
||||||||
| 主要數據尺寸 | 基本負荷額定值 | 徑向內部游隙 | 體積 | 型號 | ||||
| 靜態(tài) | ||||||||
| d | D | B | C0 | 最小 | 最大 | |||
|
|
||||||||
| mm | kN | μm | kg | - | ||||
|
|
||||||||
| 20 | 52 | 15 | 7,8 | 112 | 192 | 0,13 | 6304-2Z/VA201 | |