
SKF 22338CCK/W33+H2338軸承是鼎力晟業(yè)長期代理的產品,鼎力晟業(yè)與SKF公司具有長期的22338CCK/W33+H2338軸承采購計劃,可以為國內用戶提供足夠數量的SKF 22338CCK/W33+H2338軸承,讓您的工廠無憂運轉。
型號:22338CCK/W33+H2338
品牌:SKF
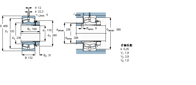
內徑:170
外徑:400
厚度:132
系列:球面滾子軸承, 帶緊定套的
【
手機版 22338CCK/W33+H2338軸承
點擊量
更新日期:2021/12/28
】
電話:020-36026999 傳真:020-36705678 服務熱線:18924187999 郵箱:sales@gzbearing.cn
| 球面滾子軸承, 帶緊定套的 | ||||||||||
| 公差 , 參見文字 | ||||||||||
| 徑向內部游隙 , 參見文字 | ||||||||||
| 推薦配合 | ||||||||||
| 軸和軸承座公差 | ||||||||||
|
|
||||||||||
| 主要數據尺寸 | 基本負荷額定值 | 疲勞負荷限值 | 額定速度 | 體積 | 型號 | |||||
| 動態(tài) | 靜態(tài) | 參照速度 | 限制速度 | 軸承 + 緊定套 | ||||||
| d1 | D | B | C | C0 | Pu | |||||
| * - SKF Explorer 軸承 | ||||||||||
|
|
||||||||||
| mm | kN | kN | r/min | kg | - | |||||
|
|
||||||||||
| 170 | 400 | 132 | 2120 | 2650 | 208 | 1200 | 1600 | 93,0 | 22338 CCK/W33 + H 2338 * | |
HSB024C軸承 7019C/DT軸承 4T-33895/33822軸承 30338軸承 61914-2RS軸承 NUP211軸承 NKI10/20軸承 7224B軸承 6018NR軸承 NJ407+HJ407軸承 928軸承 UCFL216-303D1軸承 GT12軸承 51317軸承 7302軸承 CR20BUU軸承 644/632軸承 25584/25523軸承 RNAO12x22x12TN軸承 7324AC/DB軸承