
SKF進口軸承代理鼎力晟業(yè)為用戶提供高品質的23176CA/W33軸承,無論是工業(yè)配套還是維修市場,用戶都可以在這里找到貨期最短的SKF 23176CA/W33軸承,確保您的不間斷生產。
型號:23176CA/W33
品牌:SKF
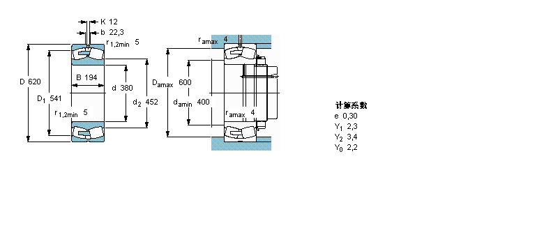
內徑:380
外徑:620
厚度:194
系列:球面滾子軸承, 圓柱和圓錐孔, 圓柱型內孔, 無密封件
【
手機版 23176CA/W33軸承
點擊量
更新日期:2021/12/28
】
電話:020-36026999 傳真:020-36705678 服務熱線:18924187999 郵箱:sales@gzbearing.cn
| 球面滾子軸承, 圓柱和圓錐孔, 圓柱型內孔, 無密封件 | ||||||||||
| 公差 , 參見文字 | ||||||||||
| 徑向內部間隙, 圓柱型內孔 , 圓錐型內孔, 無密封件 , 參見文字 | ||||||||||
| 推薦配合 | ||||||||||
| 軸和軸承座公差 | ||||||||||
|
|
||||||||||
| 主要數據尺寸 | 基本負荷額定值 | 疲勞負荷限值 | 額定速度 | 體積 | 型號 | |||||
| 動態(tài) | 靜態(tài) | 參照速度 | 限制速度 | |||||||
| d | D | B | C | C0 | Pu | * - SKF Explorer 軸承 | ||||
|
|
||||||||||
| mm | kN | kN | r/min | kg | - | |||||
|
|
||||||||||
| 380 | 620 | 194 | 4400 | 7100 | 500 | 560 | 1000 | 230 | 23176 CA/W33 * | |
NJ1011軸承 K165X173X26軸承 CFE24BUU軸承 NA4864軸承 RCJY35-JIS軸承 BC2B326064/HA1軸承 KM21軸承 QJ322N2軸承 62/32-2NSE軸承 BT4B334128/HA1軸承 F623軸承 21318-E1-K+AHX318軸承 GE160-AW軸承 5315N軸承 W60/2.5-2Z軸承 23172CACK/W33軸承 B7016C.O軸承 5202Z軸承 7332-B-MP軸承 63/28-2RS軸承