
購買SKF 23988CCK/W33+OH3988H軸承,及23988CCK/W33+OH3988H軸承同系列產品,或者SKF公司其他產品,請聯系SKF進口軸承代理-鼎力晟業(yè),我們提供準時高效的服務。
型號:23988CCK/W33+OH3988H
品牌:SKF
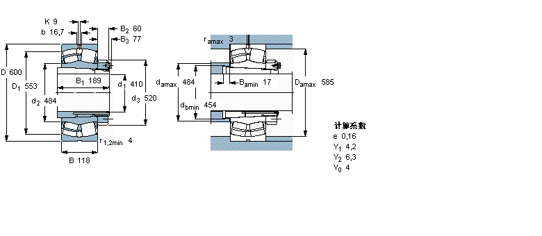
內徑:410
外徑:600
厚度:118
系列:球面滾子軸承, 帶緊定套的
【
手機版 23988CCK/W33+OH3988H軸承
點擊量
更新日期:2021/12/28
】
電話:020-36026999 傳真:020-36705678 服務熱線:18924187999 郵箱:sales@gzbearing.cn
| 球面滾子軸承, 帶緊定套的 | ||||||||||
| 公差 , 參見文字 | ||||||||||
| 徑向內部游隙 , 參見文字 | ||||||||||
| 推薦配合 | ||||||||||
| 軸和軸承座公差 | ||||||||||
|
|
||||||||||
| 主要數據尺寸 | 基本負荷額定值 | 疲勞負荷限值 | 額定速度 | 體積 | 型號 | |||||
| 動態(tài) | 靜態(tài) | 參照速度 | 限制速度 | 軸承 + 緊定套 | ||||||
| d1 | D | B | C | C0 | Pu | |||||
| * - SKF Explorer 軸承 | ||||||||||
|
|
||||||||||
| mm | kN | kN | r/min | kg | - | |||||
|
|
||||||||||
| 410 | 600 | 118 | 2450 | 4900 | 345 | 950 | 1000 | 150 | 23988 CCK/W33 + OH 3988 H * | |
UKP208;H2308X軸承 6203-ZN軸承 3209A-2ZTN9/MT33軸承 7303B.X軸承 51312軸承 6814軸承 RNA4912U軸承 51424X軸承 H3940軸承 NA4903軸承 8118/8237軸承 BT4B328511/HA1軸承 BS2-2211-2CSK軸承 NA4864軸承 7303DB軸承 6009ZZE軸承 7907CDT軸承 29R3427A-1軸承 RNA49/38軸承 2310軸承