
作為傳統(tǒng)的進口軸承代理商,鼎力晟業(yè)以廣州為基地,全方位展開與SKF公司的合作,為本地SKF 240/950CAF/W33軸承提供強大的貨源支持,并迅速推廣到全國各地,經過多年的努力,240/950CAF/W33軸承已成為我們的主導產品之一。
型號:240/950CAF/W33
品牌:SKF
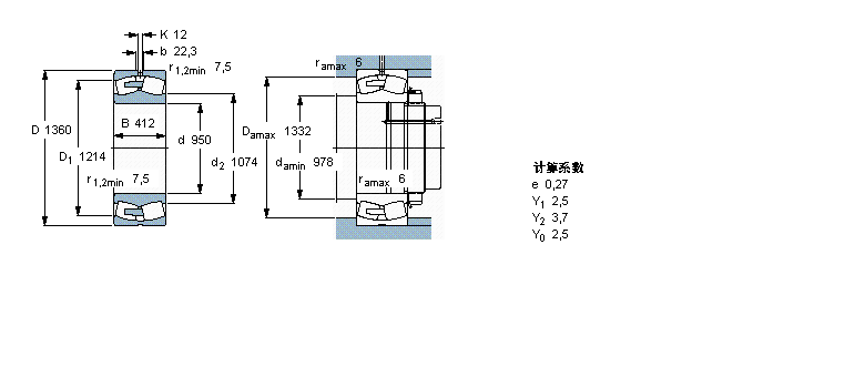
內徑:950
外徑:1360
厚度:412
系列:球面滾子軸承, 圓柱和圓錐孔, 圓柱型內孔, 無密封件
【
手機版 240/950CAF/W33軸承
點擊量
更新日期:2021/12/28
】
電話:020-36026999 傳真:020-36705678 服務熱線:18924187999 郵箱:sales@gzbearing.cn
| 球面滾子軸承, 圓柱和圓錐孔, 圓柱型內孔, 無密封件 | ||||||||||
| 公差 , 參見文字 | ||||||||||
| 徑向內部間隙, 圓柱型內孔 , 圓錐型內孔, 無密封件 , 參見文字 | ||||||||||
| 推薦配合 | ||||||||||
| 軸和軸承座公差 | ||||||||||
|
|
||||||||||
| 主要數據尺寸 | 基本負荷額定值 | 疲勞負荷限值 | 額定速度 | 體積 | 型號 | |||||
| 動態(tài) | 靜態(tài) | 參照速度 | 限制速度 | |||||||
| d | D | B | C | C0 | Pu | |||||
|
|
||||||||||
| mm | kN | kN | r/min | kg | - | |||||
|
|
||||||||||
| 950 | 1360 | 412 | 14800 | 39000 | 2320 | 170 | 300 | 1990 | 240/950 CAF/W33 | |
23036CDK+H3036軸承 7022AC軸承 6313軸承 22320HKE4軸承 GE180-UK-2RS軸承 W61802-2Z軸承 6011-Z軸承 LM814849/LM814810軸承 6304ZZE軸承 4T-320/32X軸承 LRT303516軸承 3208B.TVH軸承 29268軸承 ZGB90X105X80軸承 W69/1.5ASA軸承 RCJ1-15/16軸承 HR33206J軸承 GE15ES軸承 EGW22-E40-B軸承 KT758330軸承