
購買SKF 24148CCK30/W33軸承,及24148CCK30/W33軸承同系列產品,或者SKF公司其他產品,請聯(lián)系SKF進口軸承代理-鼎力晟業(yè),我們提供準時高效的服務。
型號:24148CCK30/W33
品牌:SKF
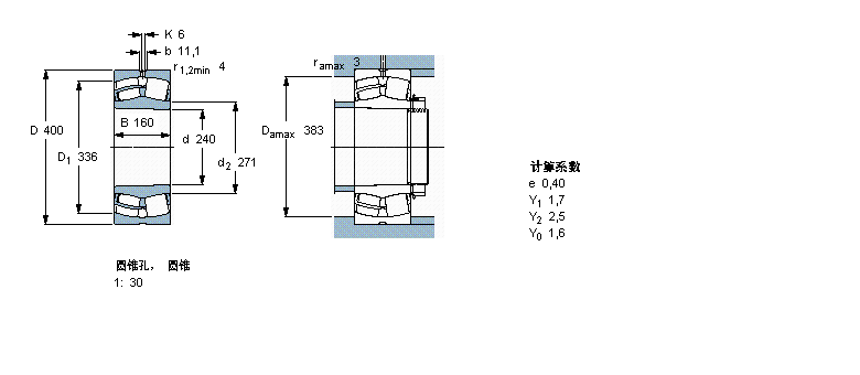
內徑:240
外徑:400
厚度:160
系列:球面滾子軸承, 圓柱和圓錐孔, 圓錐型內孔, 無密封件
【
手機版 24148CCK30/W33軸承
點擊量
更新日期:2021/12/28
】
電話:020-36026999 傳真:020-36705678 服務熱線:18924187999 郵箱:sales@gzbearing.cn
| 球面滾子軸承, 圓柱和圓錐孔, 圓錐型內孔, 無密封件 | ||||||||||
| 公差 , 參見文字 | ||||||||||
| 徑向內部間隙, 圓柱型內孔 , 圓錐型內孔, 無密封件 , 參見文字 | ||||||||||
| 推薦配合 | ||||||||||
| 軸和軸承座公差 | ||||||||||
|
|
||||||||||
| 主要數據尺寸 | 基本負荷額定值 | 疲勞負荷限值 | 額定速度 | 體積 | 型號 | |||||
| 動態(tài) | 靜態(tài) | 參照速度 | 限制速度 | |||||||
| d | D | B | C | C0 | Pu | * - SKF Explorer 軸承 | ||||
|
|
||||||||||
| mm | kN | kN | r/min | kg | - | |||||
|
|
||||||||||
| 240 | 400 | 160 | 2400 | 3900 | 320 | 750 | 1100 | 81,5 | 24148 CCK30/W33 * | |
6004-2RS軸承 TAFI304530軸承 NJ2226-E-TVP2+HJ2226E軸承 N230-E-M1軸承 2909軸承 NU215軸承 HCB7011-E-T-P4S軸承 5S-BNT000軸承 CF3B軸承 WBC5-13Z軸承 6307N軸承 7932CDB軸承 30203/30203軸承 23088K.MBH3088HG軸承 22220CCK/W33軸承 7920軸承 1316M軸承 NU2315R軸承 N2316軸承 7030DT軸承