
248/1500CAK30FA/W20軸承是SKF公司同時面向工業(yè)配套和維修市場的產品,鼎力晟業(yè)同時代理此兩項業(yè)務,不僅為批量采購的用戶提供優(yōu)惠的SKF 248/1500CAK30FA/W20軸承,同時也為零散采購用戶提供價格優(yōu)惠的及時供貨服務。
型號:248/1500CAK30FA/W20
品牌:SKF
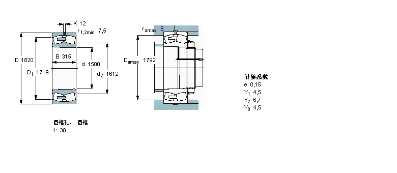
內徑:1500
外徑:1820
厚度:315
系列:球面滾子軸承, 圓柱和圓錐孔, 圓錐型內孔, 無密封件
【
手機版 248/1500CAK30FA/W20軸承
點擊量
更新日期:2021/12/28
】
電話:020-36026999 傳真:020-36705678 服務熱線:18924187999 郵箱:sales@gzbearing.cn
| 球面滾子軸承, 圓柱和圓錐孔, 圓錐型內孔, 無密封件 | ||||||||||
| 公差 , 參見文字 | ||||||||||
| 徑向內部間隙, 圓柱型內孔 , 圓錐型內孔, 無密封件 , 參見文字 | ||||||||||
| 推薦配合 | ||||||||||
| 軸和軸承座公差 | ||||||||||
|
|
||||||||||
| 主要數據尺寸 | 基本負荷額定值 | 疲勞負荷限值 | 額定速度 | 體積 | 型號 | |||||
| 動態(tài) | 靜態(tài) | 參照速度 | 限制速度 | |||||||
| d | D | B | C | C0 | Pu | |||||
|
|
||||||||||
| mm | kN | kN | r/min | kg | - | |||||
|
|
||||||||||
| 1500 | 1820 | 315 | 12700 | 45000 | 2400 | 110 | 200 | 1680 | 248/1500 CAK30FA/W20 | |
EGB2415-E40軸承 39585軸承 K33889-33822軸承 NJ2332-E-M1+HJ2332E軸承 6218-Z軸承 CR32x42x7CRW1R軸承 NA6909UU軸承 NP318軸承 NK50/35R軸承 6821VV軸承 28985/28921A軸承 GT2軸承 6405軸承 33275/33462軸承 F685軸承 CR17x27x6.35CRW1R軸承 D32軸承 C3120V軸承 SCE2420軸承 RTC325軸承