
SKF 30320J2/DFC400軸承是鼎力晟業(yè)長期代理的產品,鼎力晟業(yè)與SKF公司具有長期的30320J2/DFC400軸承采購計劃,可以為國內用戶提供足夠數量的SKF 30320J2/DFC400軸承,讓您的工廠無憂運轉。
型號:30320J2/DFC400
品牌:SKF
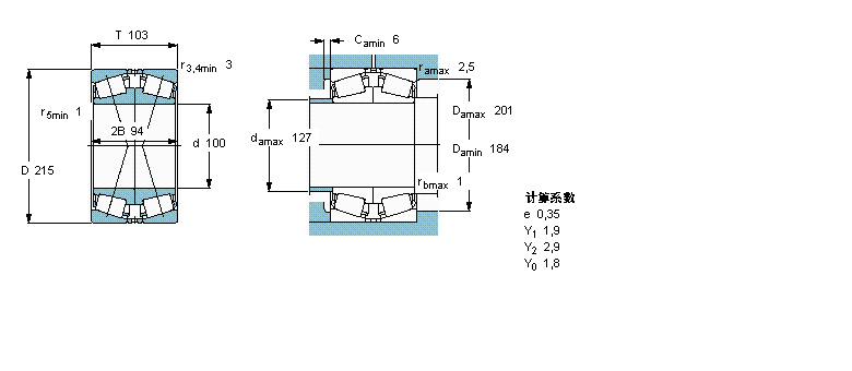
內徑:100
外徑:215
厚度:103
系列:圓錐滾子軸承, 單列,面對面配對
【
手機版 30320J2/DFC400軸承
點擊量
更新日期:2021/12/28
】
電話:020-36026999 傳真:020-36705678 服務熱線:18924187999 郵箱:sales@gzbearing.cn
| 圓錐滾子軸承, 單列,面對面配對 | ||||||||||
| 公差 , 參見文字 | ||||||||||
| 軸向內部間隙, 參見文字 | ||||||||||
| 推薦配合 | ||||||||||
| 軸和軸承座公差 | ||||||||||
|
|
||||||||||
| 主要數據尺寸 | 基本負荷額定值 | 疲勞負荷限值 | 額定速度 | 體積 | 型號 | |||||
| 動態(tài) | 靜態(tài) | 參照速度 | 限制速度 | |||||||
| d | D | T | C | C0 | Pu | |||||
|
|
||||||||||
| mm | kN | kN | r/min | kg | - | |||||
|
|
||||||||||
| 100 | 215 | 103 | 693 | 980 | 106 | 1900 | 3200 | 16,5 | 30320J2/DFC400 | |