
5210A-2RS1軸承是SKF公司同時面向工業(yè)配套和維修市場的產品,鼎力晟業(yè)同時代理此兩項業(yè)務,不僅為批量采購的用戶提供優(yōu)惠的SKF 5210A-2RS1軸承,同時也為零散采購用戶提供價格優(yōu)惠的及時供貨服務。
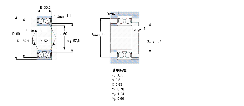
型號:5210A-2RS1
品牌:SKF
內徑:50
外徑:90
厚度:30.2
系列:角接觸球軸承, 雙列, 兩面密封件
【
手機版 5210A-2RS1軸承
點擊量
更新日期:2021/12/28
】
電話:020-36026999 傳真:020-36705678 服務熱線:18924187999 郵箱:sales@gzbearing.cn
| 角接觸球軸承, 雙列, 兩面密封件 | ||||||||||
| 公差 , 參見文字 | ||||||||||
| 軸向內部間隙, a), b), 參見文字 | ||||||||||
| 推薦配合 | ||||||||||
| 軸和軸承座公差 | ||||||||||
|
|
||||||||||
| 主要數據尺寸 | 基本負荷額定值 | 疲勞負荷限值 | 額定速度 | 體積 | 型號 | |||||
| 動態(tài) | 靜態(tài) | 參照速度 | 限制速度 | |||||||
| d | D | B | C | C0 | Pu | * - SKF Explorer 軸承 | ||||
|
|
||||||||||
| mm | kN | kN | r/min | kg | - | |||||
|
|
||||||||||
| 50 | 90 | 30,2 | 51 | 39 | 1,66 | - | 4800 | 0,65 | 5210 A-2RS1 * | |
GX17F軸承 17580/17520-B軸承 230/500BK.MB軸承 NJ205EG軸承 RS-4864E4軸承 NA4903軸承 82681D/20/20D軸承 7210BECBM軸承 SL04180PP軸承 71930C/DF軸承 C7008FB/P7軸承 16014軸承 7313B/DT軸承 4T-15103/15245軸承 DKLFA2080-2RS軸承 7207CD/DT軸承 6002/HR11TN軸承 F-3026軸承 98350/788軸承 NJ205軸承