
訂購SKF 6001/HR11QN軸承,請隨時與我們聯系,我們將根據匯率的波動為您提供實時準確的價格,確保以最優(yōu)惠的價格為您提供優(yōu)質的SKF 6001/HR11QN軸承。
型號:6001/HR11QN
品牌:SKF
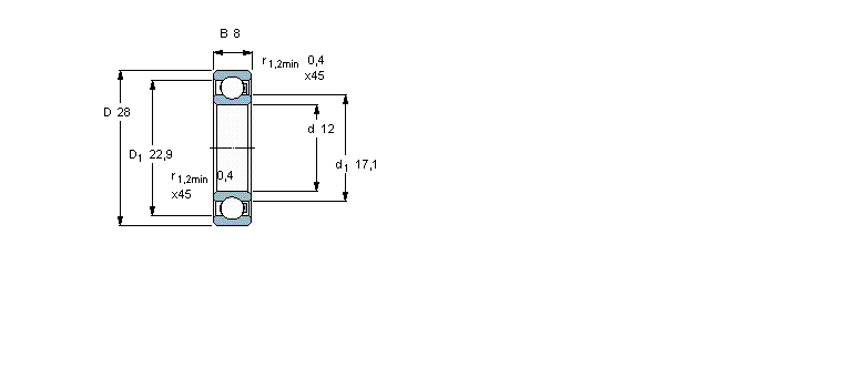
內徑:12
外徑:28
厚度:8
系列:聚合物球軸承,單列球軸承, POM/POM/glass/PA66
【
手機版 6001/HR11QN軸承
點擊量
更新日期:2021/12/28
】
電話:020-36026999 傳真:020-36705678 服務熱線:18924187999 郵箱:sales@gzbearing.cn
| 聚合物球軸承,單列球軸承, POM/POM/glass/PA66 | ||||||||
|
|
||||||||
| 主要數據尺寸 | 負荷能力 | 額定速度 | 體積 | 型號 | ||||
| d | D | B | 動態(tài) 1) | 靜態(tài) 2) | 最大 3) | 最大 | - | |
| 1) above 50 °C and/or above 20 % | 3) Consider load carrying | |||||||
| of max speed rating consider | capability reduction according | |||||||
| reduction according to diagram | to diagram | |||||||
| 2) above 50 °C consider | ||||||||
| reduction according to diagram | ||||||||
|
|
||||||||
| mm | kN | r/min | kg | - | ||||
|
|
||||||||
| 12 | 28 | 8 | 0,16 | 0,11 | 1750 | 0,0071 | 6001/HR11QN | |
SCE2020軸承 SCH78軸承 BTM60B/P4CDBA軸承 GT9軸承 47688/47620軸承 N209軸承 NJ1896MA軸承 6202軸承 22322BKD1+H2322X軸承 6004-2Z軸承 5312ZZ軸承 22380CAK/W33軸承 7310CDB軸承 C3034K+AH3034軸承 71938C/DF軸承 N308-E-TVP2軸承 230SM500-MA軸承 20209-TVP軸承 2207E-2RS1KTN9軸承 FWF-505520軸承