
訂購SKF 6309/HR11QN軸承,請隨時與我們聯系,我們將根據匯率的波動為您提供實時準確的價格,確保以最優(yōu)惠的價格為您提供優(yōu)質的SKF 6309/HR11QN軸承。
型號:6309/HR11QN
品牌:SKF
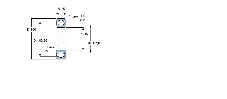
內徑:45
外徑:100
厚度:25
系列:聚合物球軸承,單列球軸承, POM/POM/glass/PA66
【
手機版 6309/HR11QN軸承
點擊量
更新日期:2021/12/28
】
電話:020-36026999 傳真:020-36705678 服務熱線:18924187999 郵箱:sales@gzbearing.cn
| 聚合物球軸承,單列球軸承, POM/POM/glass/PA66 | ||||||||
|
|
||||||||
| 主要數據尺寸 | 負荷能力 | 額定速度 | 體積 | 型號 | ||||
| d | D | B | 動態(tài) 1) | 靜態(tài) 2) | 最大 3) | 最大 | - | |
| 1) above 50 °C and/or above 20 % | 3) Consider load carrying | |||||||
| of max speed rating consider | capability reduction according | |||||||
| reduction according to diagram | to diagram | |||||||
| 2) above 50 °C consider | ||||||||
| reduction according to diagram | ||||||||
|
|
||||||||
| mm | kN | r/min | kg | - | ||||
|
|
||||||||
| 45 | 100 | 25 | 0,9 | 0,54 | 500 | 0,30 | 6309/HR11QN | |
7032C/DB軸承 HM88630/HM88612軸承 NCF2915CV軸承 FYT35TF/VA201軸承 CRBH10020A軸承 NATR30軸承 7204AC/DT軸承 YAR206-103-2FW/VA201軸承 24076CACK30/W33軸承 5220軸承 23092K.MBH3092HG軸承 N308軸承 239/530-K-MB+AH39/530軸承 HR32940J軸承 6320ZZX軸承 607/8-Z軸承 C7020FB/P7軸承 EWP307軸承 RLS18軸承 NKX45Z軸承