
訂購SKF 634011A軸承,請隨時與我們聯系,我們將根據匯率的波動為您提供實時準確的價格,確保以最優(yōu)惠的價格為您提供優(yōu)質的SKF 634011A軸承。
型號:634011A
品牌:SKF
內徑:30.02
外徑:-
厚度:66.675
系列:圓錐滾子推力軸承, 單向
【
手機版 634011A軸承
點擊量
更新日期:2021/12/28
】
電話:020-36026999 傳真:020-36705678 服務熱線:18924187999 郵箱:sales@gzbearing.cn
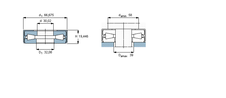
| 圓錐滾子推力軸承, 單向 | ||||||||||
| 公差 , 參見文字 | ||||||||||
| 推薦配合 | ||||||||||
| 軸和軸承座公差 | ||||||||||
|
|
||||||||||
| 主要數據尺寸 | 基本負荷額定值 | 疲勞負荷限值 | 最小負荷系數 | 體積 | 型號 | |||||
| 動態(tài) | 靜態(tài) | |||||||||
| d | D | d1 | H | C | C0 | Pu | A | |||
|
|
||||||||||
| mm | kN | kN | - | kg | - | |||||
|
|
||||||||||
| 30,02 | - | 66,675 | 19,446 | 93,5 | 275 | 22 | 6 | 0,34 | 634011 A | |
NNU4068M/W33軸承 7036C/DB軸承 LM361649A/610軸承 22322HE4軸承 E32206J軸承 7008DF軸承 69/500軸承 GE50-UK-2RS軸承 7219C/DT軸承 XSU140544軸承 UKP306;H2306X軸承 NU305E軸承 62/22-2NSE軸承 51430X軸承 GE17GS軸承 TRU12517860軸承 NJ2315R+HJ2315R軸承 635-RZ軸承 NN3048-AS-K-M-SP軸承 2919軸承