
SKF進口軸承代理鼎力晟業(yè)為用戶提供高品質的KMT15軸承,無論是工業(yè)配套還是維修市場,用戶都可以在這里找到貨期最短的SKF KMT15軸承,確保您的不間斷生產。
型號:KMT15
品牌:SKF
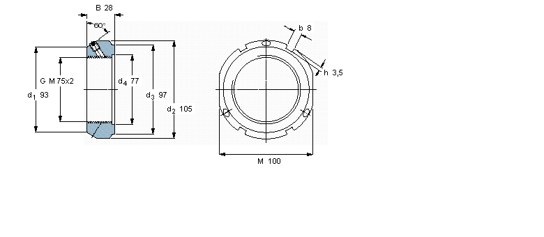
內徑:75
外徑:97
厚度:28
系列:帶鎖緊銷的KMT精密鎖緊定螺母
【
手機版 KMT15軸承
點擊量
更新日期:2021/12/28
】
電話:020-36026999 傳真:020-36705678 服務熱線:18924187999 郵箱:sales@gzbearing.cn
| 帶鎖緊銷的KMT精密鎖緊定螺母 | ||||||||||
|
|
||||||||||
| 螺紋尺寸 | 尺寸 | 軸向負荷 | 體積 | 型號 | 平頭螺釘 | |||||
| 承載能力 | 鎖定螺母 | 適宜的板手 | 尺寸 | 推薦的緊固扭矩 | ||||||
| d3 | B | G | 靜態(tài) | |||||||
|
|
||||||||||
| - | mm | - | kN | kg | - | - | - | Nm | ||
|
|
||||||||||
| 75 | 97 | 28 | M 75x2 | 520 | 0,80 | KMT 15 | HN 16 | M 8 | 18 | |
HJ2334軸承 1206K;H206X軸承 3923軸承 51132-MP軸承 7005ACD/P4A軸承 IR75x85x35軸承 Z-565677.ZL-K-C5軸承 7314B/DB軸承 LM249748/LM249710CD軸承 7000CD/DF軸承 HR33108J軸承 PSHE25-TV-FA125.5軸承 681A/672軸承 6313-Z軸承 61908-Z軸承 241/530-B-K30-MB軸承 N1080軸承 FNL522B軸承 SYH13/16WF軸承 2207-K-2RS-TVH-C3+H307軸承