
鼎力晟業(yè)是SKF進口軸承代理商,不僅為工業(yè)配套用戶提供SKF KMT20軸承,在維修市場也提供足夠的支持,是SKF軸承在國內的優(yōu)質經(jīng)銷商之一,購買SKF KMT20軸承,鼎力晟業(yè)是您放心的選擇。
型號:KMT20
品牌:SKF
內徑:100
外徑:125
厚度:32
系列:帶鎖緊銷的KMT精密鎖緊定螺母
【
手機版 KMT20軸承
點擊量
更新日期:2021/12/28
】
電話:020-36026999 傳真:020-36705678 服務熱線:18924187999 郵箱:sales@gzbearing.cn
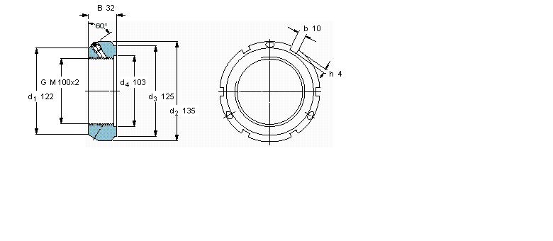
| 帶鎖緊銷的KMT精密鎖緊定螺母 | ||||||||||
|
|
||||||||||
| 螺紋尺寸 | 尺寸 | 軸向負荷 | 體積 | 型號 | 平頭螺釘 | |||||
| 承載能力 | 鎖定螺母 | 適宜的板手 | 尺寸 | 推薦的緊固扭矩 | ||||||
| d3 | B | G | 靜態(tài) | |||||||
|
|
||||||||||
| - | mm | - | kN | kg | - | - | - | Nm | ||
|
|
||||||||||
| 100 | 125 | 32 | M 100x2 | 740 | 1,30 | KMT 20 | HN 21-22 | M 10 | 35 | |
HR32968J軸承 NUP2226-E-TVP2軸承 62/32LLB軸承 NJ311ECML軸承 NU2328-E-M1軸承 7326B/DF軸承 HS71913-C-T-P4S軸承 VSA250955-N軸承 1206TV軸承 NJ2252軸承 FWF-404825軸承 240/500BK30D1軸承 NNC4936CV軸承 7238C/DB軸承 71908C/DB軸承 23160CAKE4軸承 61832軸承 6317Z軸承 23FC1690軸承 TAFI355020軸承