
購買SKF MB11軸承,及MB11軸承同系列產品,或者SKF公司其他產品,請聯系SKF進口軸承代理-鼎力晟業(yè),我們提供準時高效的服務。
型號:MB11
品牌:SKF
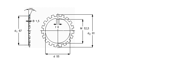
內徑:55
外徑:81
厚度:1.5
系列:MB(L)鎖定墊圈
【
手機版 MB11軸承
點擊量
更新日期:2021/12/28
】
電話:020-36026999 傳真:020-36705678 服務熱線:18924187999 郵箱:sales@gzbearing.cn
| MB(L)鎖定墊圈 | ||||||
|
|
||||||
| 尺寸 | 體積 | 型號 | ||||
| 鎖緊墊圈 | 適宜的鎖定螺母 | |||||
| d | d2 | B | ||||
|
|
||||||
| mm | kg | - | ||||
|
|
||||||
| 55 | 81 | 1,5 | 0,022 | MB 11 | KM 11 | |
RNA4905軸承 56418軸承 NU2320-E-TVP2軸承 FL626ZZ軸承 CFE20VB軸承 6000Z軸承 52387/52637D軸承 6024N軸承 7304B軸承 232/560CAK/W33+OH32/560H軸承 7015DB/P7軸承 LRTZ13015051軸承 F-803008.PRL軸承 SG534-0軸承 NU226軸承 5307RS軸承 GE50-ZO軸承 NF240軸承 19143/19268-B軸承 81111-TV軸承