
購買SKF MS31/950軸承,及MS31/950軸承同系列產品,或者SKF公司其他產品,請聯(lián)系SKF進口軸承代理-鼎力晟業(yè),我們提供準時高效的服務。
型號:MS31/950
品牌:SKF
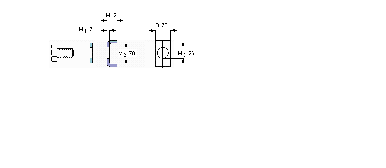
內徑:70
外徑:21
厚度:78
系列:MS鎖定夾
【
手機版 MS31/950軸承
點擊量
更新日期:2021/12/28
】
電話:020-36026999 傳真:020-36705678 服務熱線:18924187999 郵箱:sales@gzbearing.cn
| MS鎖定夾 | |||||||||
|
|
|||||||||
| 尺寸 | 體積 | 型號 | |||||||
| 鎖緊墊圈 | 適宜的部件 | 適宜的鎖定螺母 | |||||||
| 六角有頭螺釘 | 彈簧墊圈符合 | 型號 | |||||||
| B | M | M2 | DIN 128標準 | ||||||
|
|
|||||||||
| mm | kg | - | - | - | |||||
|
|
|||||||||
| 70 | 21 | 78 | 0,43 | MS 31/950 | M 24x50 | A 24 | HM 31/950 | - | |
NJ2868ECMA軸承 7222AC/DF軸承 SX011860軸承 100KBE03軸承 314560軸承 XAB-32009X/Y32009X軸承 NU1022M軸承 23128CK軸承 SL182980軸承 HCB7040-E-T-P4S軸承 6004-2RS軸承 RCJTY45-TV-VA軸承 CFE6VR軸承 7307BDT軸承 71806ACD/HCP4軸承 B71904-E-2RSD-T-P4S軸承 NN4930軸承 EGB2420-E40軸承 567/562軸承 51305V/HR22T2軸承