
購買SKF NJ1017ML軸承,及NJ1017ML軸承同系列產品,或者SKF公司其他產品,請聯系SKF進口軸承代理-鼎力晟業(yè),我們提供準時高效的服務。
型號:NJ1017ML
品牌:SKF
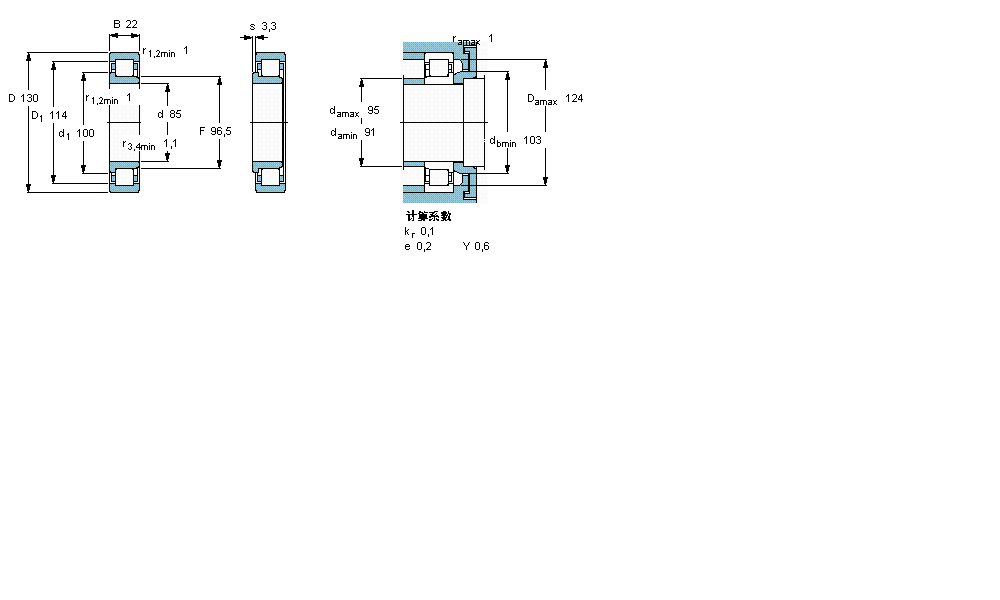
內徑:85
外徑:130
厚度:22
系列:圓柱滾子軸承, 單列, NJ 設計
【
手機版 NJ1017ML軸承
點擊量
更新日期:2021/12/28
】
電話:020-36026999 傳真:020-36705678 服務熱線:18924187999 郵箱:sales@gzbearing.cn
| 圓柱滾子軸承, 單列, NJ 設計 | ||||||||||||
| 公差 , 參見文字 | ||||||||||||
| 徑向內部間隙, 圓柱型內孔 , 圓錐型內孔, 無密封件 , 參見文字 | ||||||||||||
| 推薦配合 | ||||||||||||
| 軸和軸承座公差 | ||||||||||||
|
|
||||||||||||
| 主要數據尺寸 | 基本負荷額定值 | 疲勞負荷限值 | 額定速度 | 體積 | 型號 | 適宜的斜擋圈 | ||||||
| 動態(tài) | 靜態(tài) | 參照速度 | 限制速度 | 型號 | ||||||||
| d | D | B | C | C0 | Pu | |||||||
|
|
||||||||||||
| mm | kN | kN | r/min | kg | - | - | ||||||
|
|
||||||||||||
| 85 | 130 | 22 | 68,2 | 86,5 | 10,5 | 6000 | 9000 | 1,10 | NJ 1017 ML | - | ||
B71904-C-T-P4S軸承 UC205軸承 453/750軸承 71912CD/P4A軸承 HM231149/HM231115軸承 6310-RS軸承 560/552軸承 UK315D1;H2315X軸承 NJ318E軸承 6314-RZ軸承 29396軸承 7409DB軸承 NJ2206-E-TVP2軸承 23096BKD1+H3096軸承 PASE45-FA125軸承 ZKLF2575-2RS軸承 PHS22EC軸承 61809-2RZ軸承 KJ32×37×27軸承 BRI243716軸承