
SKF進口軸承代理鼎力晟業(yè)為用戶提供高品質的NJ1052MP軸承,無論是工業(yè)配套還是維修市場,用戶都可以在這里找到貨期最短的SKF NJ1052MP軸承,確保您的不間斷生產。
型號:NJ1052MP
品牌:SKF
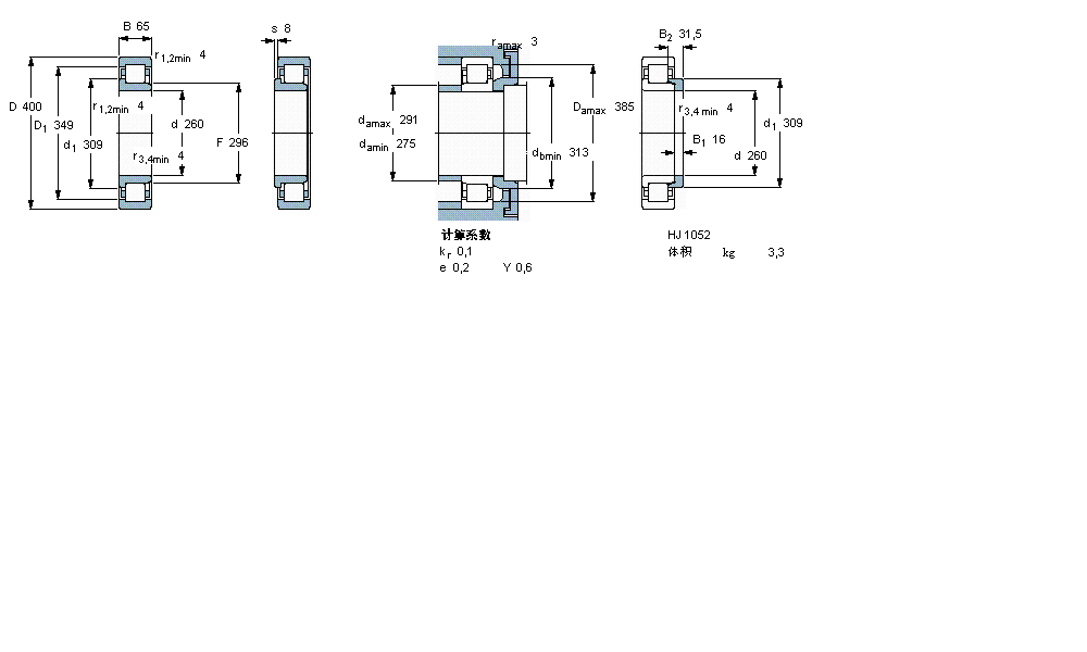
內徑:260
外徑:400
厚度:65
系列:圓柱滾子軸承, 單列, NJ 設計
【
手機版 NJ1052MP軸承
點擊量
更新日期:2021/12/28
】
電話:020-36026999 傳真:020-36705678 服務熱線:18924187999 郵箱:sales@gzbearing.cn
| 圓柱滾子軸承, 單列, NJ 設計 | ||||||||||||
| 公差 , 參見文字 | ||||||||||||
| 徑向內部間隙, 圓柱型內孔 , 圓錐型內孔, 無密封件 , 參見文字 | ||||||||||||
| 推薦配合 | ||||||||||||
| 軸和軸承座公差 | ||||||||||||
|
|
||||||||||||
| 主要數據尺寸 | 基本負荷額定值 | 疲勞負荷限值 | 額定速度 | 體積 | 型號 | 適宜的斜擋圈 | ||||||
| 動態(tài) | 靜態(tài) | 參照速度 | 限制速度 | 型號 | ||||||||
| d | D | B | C | C0 | Pu | |||||||
|
|
||||||||||||
| mm | kN | kN | r/min | kg | - | - | ||||||
|
|
||||||||||||
| 260 | 400 | 65 | 627 | 965 | 96,5 | 1800 | 2800 | 30,0 | NJ 1052 MP | HJ 1052 | ||
6012-2RSR軸承 HR30204J軸承 SCE168軸承 EGB1420-E50軸承 7003C/DF軸承 RNAO35x47x32軸承 1311E軸承 CF12BR軸承 6816Z軸承 61907-Z軸承 7602050TVP軸承 799A/792軸承 GSH30-2RSR-B軸承 7236CD軸承 N308軸承 6912Z軸承 LM742749/710/VE174軸承 NUP2316ECM軸承 FYRP2.15/16H-3軸承 NN3015K軸承