
鼎力晟業(yè)是SKF進口軸承代理商,不僅為工業(yè)配套用戶提供SKF NNC4868CV軸承,在維修市場也提供足夠的支持,是SKF軸承在國內的優(yōu)質經銷商之一,購買SKF NNC4868CV軸承,鼎力晟業(yè)是您放心的選擇。
型號:NNC4868CV
品牌:SKF
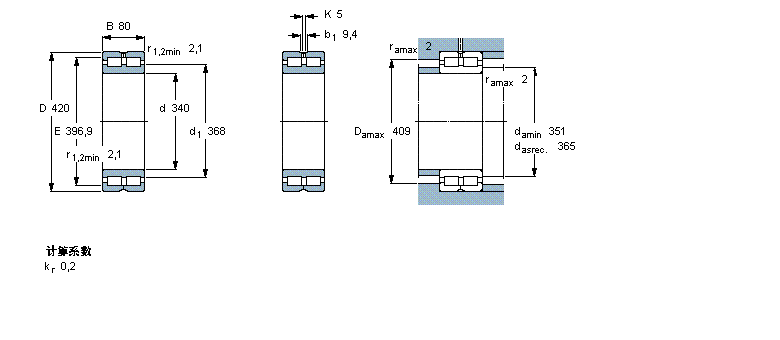
內徑:340
外徑:420
厚度:80
系列:圓柱滾子軸承, 雙列滿裝滾子, 無密封件, 雙方向軸向負荷的擋邊
【
手機版 NNC4868CV軸承
點擊量
更新日期:2021/12/28
】
電話:020-36026999 傳真:020-36705678 服務熱線:18924187999 郵箱:sales@gzbearing.cn
| 圓柱滾子軸承, 雙列滿裝滾子, 無密封件, 雙方向軸向負荷的擋邊 | ||||||||||
| 公差 , 參見文字 | ||||||||||
| 徑向內部游隙 , 參見文字 | ||||||||||
| 推薦配合 | ||||||||||
| 軸和軸承座公差 | ||||||||||
|
|
||||||||||
| 主要數據尺寸 | 基本負荷額定值 | 疲勞負荷限值 | 額定速度 | 體積 | 型號 | |||||
| 動態(tài) | 靜態(tài) | 參照速度 | 限制速度 | |||||||
| d | D | B | C | C0 | Pu | |||||
|
|
||||||||||
| mm | kN | kN | r/min | kg | - | |||||
|
|
||||||||||
| 340 | 420 | 80 | 913 | 2400 | 216 | 600 | 750 | 25,5 | NNC 4868 CV | |
XI120288-N軸承 NUP214E軸承 K55X60X27軸承 7315BEGAM軸承 6012-2Z軸承 24092ECAK30/W33軸承 C2222K+H322E軸承 625ZZ1軸承 1226-M軸承 SCE1112軸承 618/600-M軸承 21318RHK+H318X軸承 22238CC/W33軸承 562964軸承 6318-ZN軸承 51120軸承 HCS7006-C-T-P4S軸承 6204-RS軸承 NJ2216軸承 23272RHAW33軸承