
作為傳統(tǒng)的進口軸承代理商,鼎力晟業(yè)以廣州為基地,全方位展開與SKF公司的合作,為本地SKF NNCF5022CV軸承提供強大的貨源支持,并迅速推廣到全國各地,經過多年的努力,NNCF5022CV軸承已成為我們的主導產品之一。
型號:NNCF5022CV
品牌:SKF
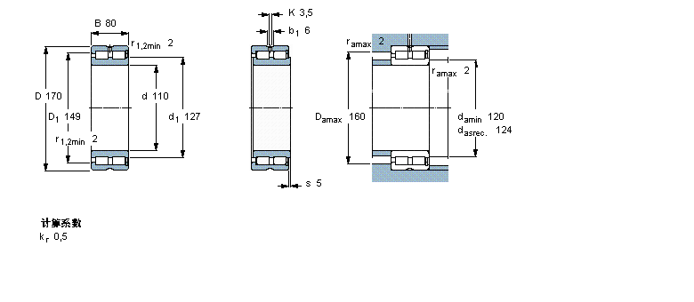
內徑:110
外徑:170
厚度:80
系列:圓柱滾子軸承, 雙列滿裝滾子, 無密封件, 單方向軸向負荷的擋邊
【
手機版 NNCF5022CV軸承
點擊量
更新日期:2021/12/28
】
電話:020-36026999 傳真:020-36705678 服務熱線:18924187999 郵箱:sales@gzbearing.cn
| 圓柱滾子軸承, 雙列滿裝滾子, 無密封件, 單方向軸向負荷的擋邊 | ||||||||||
| 公差 , 參見文字 | ||||||||||
| 徑向內部游隙 , 參見文字 | ||||||||||
| 推薦配合 | ||||||||||
| 軸和軸承座公差 | ||||||||||
|
|
||||||||||
| 主要數據尺寸 | 基本負荷額定值 | 疲勞負荷限值 | 額定速度 | 體積 | 型號 | |||||
| 動態(tài) | 靜態(tài) | 參照速度 | 限制速度 | |||||||
| d | D | B | C | C0 | Pu | |||||
|
|
||||||||||
| mm | kN | kN | r/min | kg | - | |||||
|
|
||||||||||
| 110 | 170 | 80 | 512 | 800 | 95 | 1800 | 2200 | 6,32 | NNCF 5022 CV | |
6232Z軸承 42690/42620軸承 7318B/DT軸承 JLM820048軸承 SL182948軸承 7219C/DT軸承 NK9/12-TV軸承 323084軸承 7026C/DT軸承 7011C/DT軸承 CFE24-1VUUR軸承 TAM3845Z軸承 N217軸承 B71940E軸承 NNCF4876CV軸承 6211-ZN軸承 RNAO80X100X30軸承 NA4852軸承 2307E-2RS1TN9軸承 6009RU軸承