
SKF NNCL4918CV軸承工業(yè)配套用戶請注意:批量采購SKF NNCL4918CV軸承,請至少提前一周與我們聯系,長期批量采購請?zhí)峁┠甓炔少徲媱潱覀儗⑹指兄x您的預見性,我們將提供極為優(yōu)惠的價格以保障您的權益。
型號:NNCL4918CV
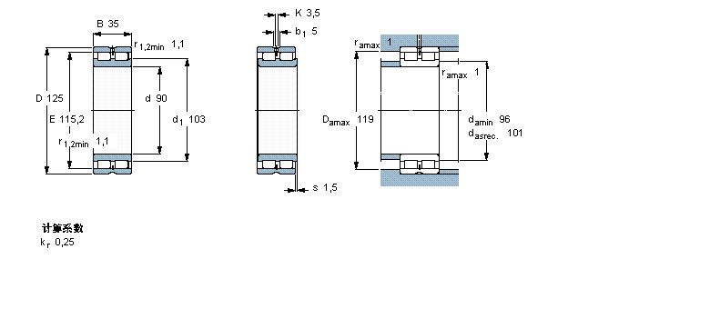
品牌:SKF
內徑:90
外徑:125
厚度:35
系列:圓柱滾子軸承, 雙列滿裝滾子, 無密封件, 沒有載荷支承能力
【
手機版 NNCL4918CV軸承
點擊量
更新日期:2021/12/28
】
電話:020-36026999 傳真:020-36705678 服務熱線:18924187999 郵箱:sales@gzbearing.cn
| 圓柱滾子軸承, 雙列滿裝滾子, 無密封件, 沒有載荷支承能力 | ||||||||||
| 公差 , 參見文字 | ||||||||||
| 徑向內部游隙 , 參見文字 | ||||||||||
| 推薦配合 | ||||||||||
| 軸和軸承座公差 | ||||||||||
|
|
||||||||||
| 主要數據尺寸 | 基本負荷額定值 | 疲勞負荷限值 | 額定速度 | 體積 | 型號 | |||||
| 動態(tài) | 靜態(tài) | 參照速度 | 限制速度 | |||||||
| d | D | B | C | C0 | Pu | |||||
|
|
||||||||||
| mm | kN | kN | r/min | kg | - | |||||
|
|
||||||||||
| 90 | 125 | 35 | 161 | 300 | 35,5 | 2400 | 3000 | 1,30 | NNCL 4918 CV | |
H249148/H249111CD軸承 240/630CAK30E4軸承 24096BK30軸承 HM231140/HM231111CD軸承 LM280249DW/LM280210軸承 RPNA18/32軸承 NN3096軸承 699軸承 NK30/30A軸承 32320A軸承 7332CDB軸承 TAFI9012026軸承 23222CKE4軸承 23180RK+AH3180軸承 K25×29×17軸承 AHX2315G軸承 7036AC軸承 NU2228E軸承 23024-E1A-K-M+AHX3024軸承 46348軸承