
鼎力晟業(yè)是SKF進口軸承代理商,不僅為工業(yè)配套用戶提供SKF NU324ECML軸承,在維修市場也提供足夠的支持,是SKF軸承在國內的優(yōu)質經銷商之一,購買SKF NU324ECML軸承,鼎力晟業(yè)是您放心的選擇。
型號:NU324ECML
品牌:SKF
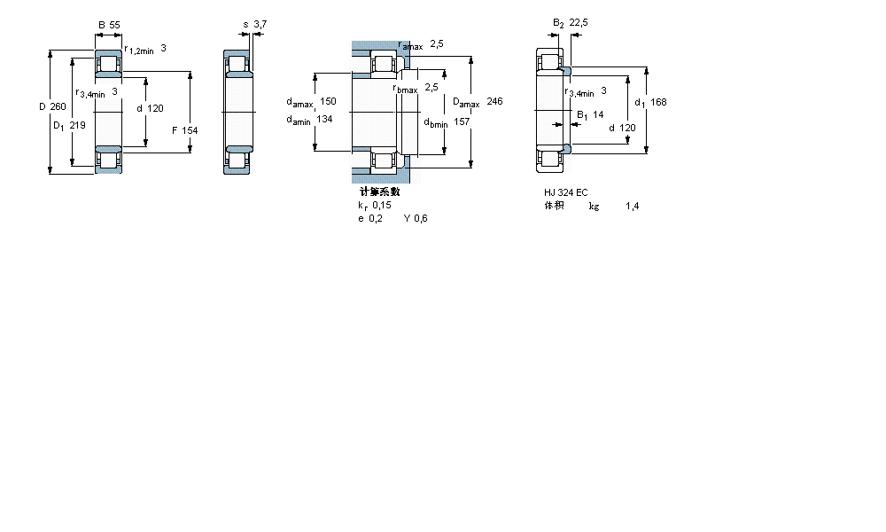
內徑:120
外徑:260
厚度:55
系列:圓柱滾子軸承, 單列, NU 設計
【
手機版 NU324ECML軸承
點擊量
更新日期:2021/12/28
】
電話:020-36026999 傳真:020-36705678 服務熱線:18924187999 郵箱:sales@gzbearing.cn
| 圓柱滾子軸承, 單列, NU 設計 | ||||||||||||
| 公差 , 參見文字 | ||||||||||||
| 徑向內部間隙, 圓柱型內孔 , 圓錐型內孔, 無密封件 , 參見文字 | ||||||||||||
| 推薦配合 | ||||||||||||
| 軸和軸承座公差 | ||||||||||||
|
|
||||||||||||
| 主要數據尺寸 | 基本負荷額定值 | 疲勞負荷限值 | 額定速度 | 體積 | 型號 | 適宜的斜擋圈 | ||||||
| 動態(tài) | 靜態(tài) | 參照速度 | 限制速度 | 型號 | ||||||||
| d | D | B | C | C0 | Pu | * - SKF Explorer 軸承 | ||||||
|
|
||||||||||||
| mm | kN | kN | r/min | kg | - | - | ||||||
|
|
||||||||||||
| 120 | 260 | 55 | 610 | 620 | 69,5 | 2800 | 5000 | 15,2 | NU 324 ECML * | HJ 324 EC | ||
6918軸承 TASE25-N軸承 MF41X軸承 NN3019KTN9/SP軸承 ML2508/1B軸承 6004LLU軸承 22336-K-MB軸承 23184-K-MB軸承 368D/362A軸承 22212-E1-K+H312軸承 1305K.TV.C3軸承 7307AC/DF軸承 NU1028軸承 GAC40F軸承 HCS7019-C-T-P4S軸承 NNC4930V.C3軸承 37260軸承 SL045052-PP軸承 30310CR軸承 6210-2RS1/W64軸承