
我們不僅提供SKF NUP215ECML軸承,還提供SKF品牌的其他品牌產品,以及SKF NUP215ECML軸承的替換型號,萬千種型號,任您選擇。
型號:NUP215ECML
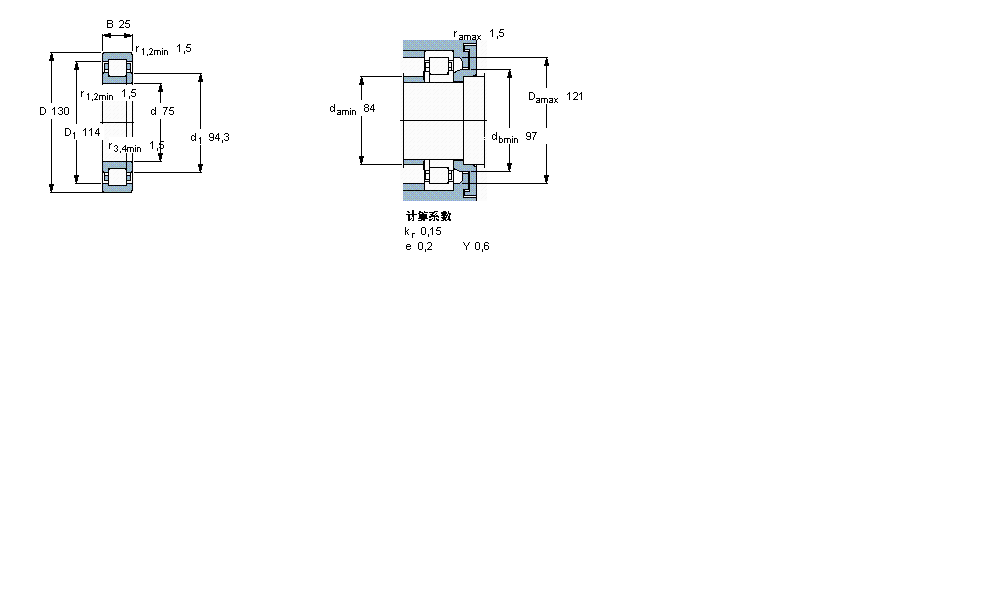
品牌:SKF
內徑:75
外徑:130
厚度:25
系列:圓柱滾子軸承, 單列, NUP 設計
【
手機版 NUP215ECML軸承
點擊量
更新日期:2021/12/28
】
電話:020-36026999 傳真:020-36705678 服務熱線:18924187999 郵箱:sales@gzbearing.cn
| 圓柱滾子軸承, 單列, NUP 設計 | ||||||||||||
| 公差 , 參見文字 | ||||||||||||
| 徑向內部間隙, 圓柱型內孔 , 圓錐型內孔, 無密封件 , 參見文字 | ||||||||||||
| 推薦配合 | ||||||||||||
| 軸和軸承座公差 | ||||||||||||
|
|
||||||||||||
| 主要數據尺寸 | 基本負荷額定值 | 疲勞負荷限值 | 額定速度 | 體積 | 型號 | 適宜的斜擋圈 | ||||||
| 動態(tài) | 靜態(tài) | 參照速度 | 限制速度 | 型號 | ||||||||
| d | D | B | C | C0 | Pu | * - SKF Explorer 軸承 | ||||||
|
|
||||||||||||
| mm | kN | kN | r/min | kg | - | - | ||||||
|
|
||||||||||||
| 75 | 130 | 25 | 150 | 156 | 20,4 | 5600 | 9500 | 1,30 | NUP 215 ECML * | - | ||
71934CD/DT軸承 NAX5035軸承 K17x21x10軸承 7007ADF軸承 C3048K軸承 NJ320-E-TVP2軸承 1307K軸承 4T-29586/29520軸承 1310-TVH軸承 7304ADT軸承 NJ2305+HJ2305軸承 15117軸承 6820ZN軸承 NU2203ECM軸承 RTW610軸承 22356-K-MB+AH2356G軸承 EGF18120-E40軸承 A4059/A4138軸承 TAL1712軸承 71934C/DB軸承