
作為傳統(tǒng)的進口軸承代理商,鼎力晟業(yè)以廣州為基地,全方位展開與SKF公司的合作,為本地SKF NUP2210ECNP軸承提供強大的貨源支持,并迅速推廣到全國各地,經過多年的努力,NUP2210ECNP軸承已成為我們的主導產品之一。
型號:NUP2210ECNP
品牌:SKF
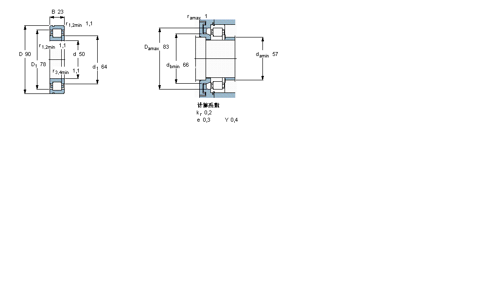
內徑:50
外徑:90
厚度:23
系列:圓柱滾子軸承, 單列, NUP 設計, 于外圈的帶止動槽
【
手機版 NUP2210ECNP軸承
點擊量
更新日期:2021/12/28
】
電話:020-36026999 傳真:020-36705678 服務熱線:18924187999 郵箱:sales@gzbearing.cn
| 圓柱滾子軸承, 單列, NUP 設計, 于外圈的帶止動槽 | ||||||||||||
| 公差 , 參見文字 | ||||||||||||
| 徑向內部間隙, 圓柱型內孔 , 圓錐型內孔, 無密封件 , 參見文字 | ||||||||||||
| 推薦配合 | ||||||||||||
| 軸和軸承座公差 | ||||||||||||
|
|
||||||||||||
| 主要數據尺寸 | 基本負荷額定值 | 疲勞負荷限值 | 額定速度 | 體積 | 型號 | 適宜的斜擋圈 | ||||||
| 動態(tài) | 靜態(tài) | 參照速度 | 限制速度 | 型號 | ||||||||
| d | D | B | C | C0 | Pu | * - SKF Explorer 軸承 | ||||||
|
|
||||||||||||
| mm | kN | kN | r/min | kg | - | - | ||||||
|
|
||||||||||||
| 50 | 90 | 23 | 90 | 88 | 11,4 | 8500 | 9000 | 0,59 | NUP 2210 ECNP * | - | ||
LRTZ505841軸承 C3120KV+AHX3120軸承 1306EK+H306軸承 4439軸承 TLAM1622Z軸承 5217N軸承 KT151917軸承 7301C/DB軸承 N2307M軸承 6072M軸承 2205K+H305軸承 M231649D/610/610D軸承 6221軸承 HK5022-RS軸承 LRTZ303518軸承 F-803001.PRL軸承 2203E-2RS1TN9軸承 F-804460.ZL-K-C3軸承 7018CDF軸承 B7214C.T軸承