
我們不僅提供SKF NUP319ECP軸承,還提供SKF品牌的其他品牌產品,以及SKF NUP319ECP軸承的替換型號,萬千種型號,任您選擇。
型號:NUP319ECP
品牌:SKF
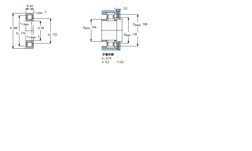
內徑:95
外徑:200
厚度:45
系列:圓柱滾子軸承, 單列, NUP 設計
【
手機版 NUP319ECP軸承
點擊量
更新日期:2021/12/28
】
電話:020-36026999 傳真:020-36705678 服務熱線:18924187999 郵箱:sales@gzbearing.cn
| 圓柱滾子軸承, 單列, NUP 設計 | ||||||||||||
| 公差 , 參見文字 | ||||||||||||
| 徑向內部間隙, 圓柱型內孔 , 圓錐型內孔, 無密封件 , 參見文字 | ||||||||||||
| 推薦配合 | ||||||||||||
| 軸和軸承座公差 | ||||||||||||
|
|
||||||||||||
| 主要數據尺寸 | 基本負荷額定值 | 疲勞負荷限值 | 額定速度 | 體積 | 型號 | 適宜的斜擋圈 | ||||||
| 動態(tài) | 靜態(tài) | 參照速度 | 限制速度 | 型號 | ||||||||
| d | D | B | C | C0 | Pu | * - SKF Explorer 軸承 | ||||||
|
|
||||||||||||
| mm | kN | kN | r/min | kg | - | - | ||||||
|
|
||||||||||||
| 95 | 200 | 45 | 390 | 390 | 46,5 | 3600 | 4300 | 6,25 | NUP 319 ECP * | - | ||
598/592D軸承 CFE24-1BUU軸承 NNTR60X150X75-2ZL軸承 7338BDB軸承 7018C/DT軸承 7228B/DB軸承 NNU4936軸承 IR20x25x26.5軸承 KB5軸承 55200軸承 K80×88×25軸承 67983/67920CD軸承 RCJ55軸承 23184-MB軸承 GE240GS軸承 6218-2RZ軸承 52317軸承 7200ACD/DB軸承 NUP2307軸承 HCB7202-C-T-P4S軸承