
購買SKF OH3964H軸承,及OH3964H軸承同系列產品,或者SKF公司其他產品,請聯系SKF進口軸承代理-鼎力晟業(yè),我們提供準時高效的服務。
型號:OH3964H
品牌:SKF
系列:緊定套
【
手機版 OH3964H軸承
點擊量
更新日期:2021/12/28
】
電話:020-36026999 傳真:020-36705678 服務熱線:18924187999 郵箱:sales@gzbearing.cn
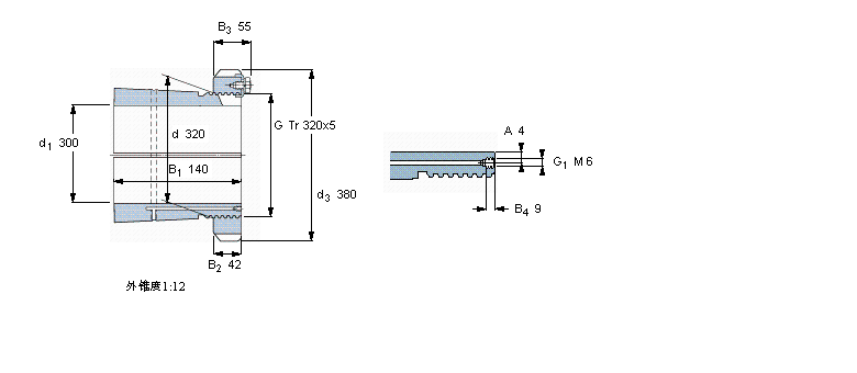
| 緊定套 | ||||||||||
|
|
||||||||||
| 尺寸 | 體積 | 型號 | ||||||||
| 緊定軸套帶螺母 | 鎖定螺母 | 鎖定裝置 | 適宜的液壓 | |||||||
| d1 | d | d3 | B1 | G | 和鎖緊裝置 | 螺母 | ||||
|
|
||||||||||
| mm | kg | - | ||||||||
|
|
||||||||||
| 300 | 320 | 380 | 140 | Tr 320x5 | 21,5 | OH 3964 H | HM 3064 | MS 3068-64 | HMV 64 E | |
6226軸承 TME55軸承 N414軸承 NKX45軸承 YRT100軸承 30348軸承 7211BDF軸承 B7036-C-T-P4S軸承 TAFI608225軸承 32318JR軸承 841R/832軸承 RS091210軸承 7328B軸承 EGBZ1816-E40軸承 NNU49/500軸承 7238BDF軸承 RCJT30-FA164軸承 BCE1312軸承 NJ230-E-M1軸承 BCH117軸承