
作為傳統(tǒng)的進口軸承代理商,鼎力晟業(yè)以廣州為基地,全方位展開與SKF公司的合作,為本地SKF SIJ12E軸承提供強大的貨源支持,并迅速推廣到全國各地,經過多年的努力,SIJ12E軸承已成為我們的主導產品之一。
型號:SIJ12E
品牌:SKF
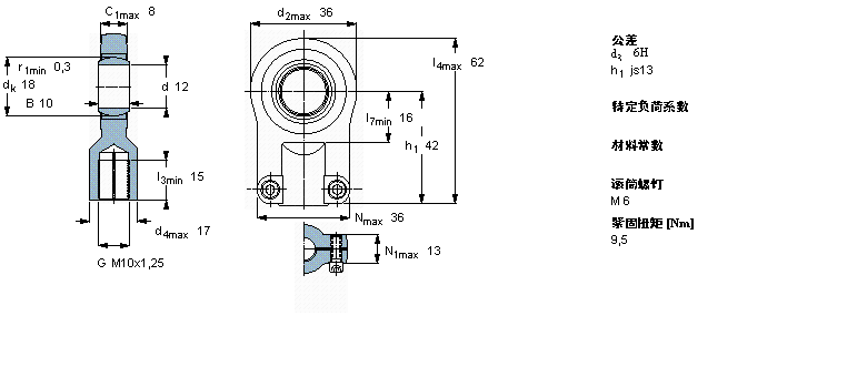
系列:需要維護的桿端, 鋼對鋼,陰螺紋,用于液壓滾筒
【
手機版 SIJ12E軸承
點擊量
更新日期:2021/12/28
】
電話:020-36026999 傳真:020-36705678 服務熱線:18924187999 郵箱:sales@gzbearing.cn
| 需要維護的桿端, 鋼對鋼,陰螺紋,用于液壓滾筒 | |||||||||||
| 公差 , 參見文字 | |||||||||||
| 徑向內部游隙 , 參見文字 | |||||||||||
|
|
|||||||||||
| 主要數據尺寸 | 角度傾的 | 基本負荷額定值 | 質量 | 型號 | |||||||
| 動態(tài) | 靜態(tài) | 桿端帶右旋螺紋 | |||||||||
| d | d2 | B | d3 | C1 | h1 | ± | C | C0 | |||
| 6H | |||||||||||
|
|
|||||||||||
| mm | 度數 | kN | kg | - | |||||||
|
|
|||||||||||
| 12 | 36 | 10 | M10x1,25 | 8 | 42 | 3 | 10,8 | 17 | 0,15 | SIJ 12 E | |
7012CDF軸承 23038-E1-TVPB軸承 22216CCK/W33軸承 NUP2314軸承 7019ADT軸承 23148BK.MBH3148X軸承 E2.22209K軸承 BRI325228U軸承 NU1026M1軸承 4T-T7FC050軸承 1315-K-M-C3軸承 24184-B-K30軸承 33122-N11CA軸承 RNA4917UU軸承 22232-E1軸承 6913VV軸承 24180RHAK30+AH24180軸承 68/600軸承 6310-2ZNR軸承 HC71920-C-T-P4S軸承